Datasheet

LM124-LM224-LM324
8/13
TYPICAL SINGLE - SUPPLY APPLICATIONS
NON-INVERTING DC GAIN
HIGH INPUT Z ADJUSTABLE GAIN DC
INSTRUMENTATION AMPLIFIER
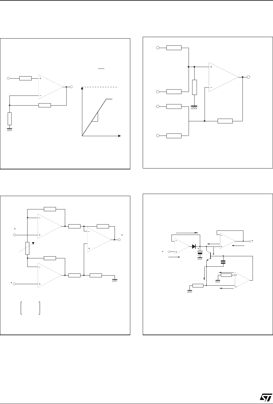
DC SUMMING AMPLIFIER
LOW DRIFT PEAK DETECTOR
R1
10k
W
R2
1M
W
1/4
LM124
10k
W
e
I
e
O
+5V
e
O
(V)
(mV)
0
A
V
=1+
R2
R1
(As shown = 101)
A
V
1/4
LM124
R3
100k
W
e
O
1/4
LM124
R1
100k
W
e
1
1/4
LM124
R7
100k
W
R6
100k
W
R5
100k
W
e
2
R2
2k
W
Gain adjust
R4
100k
W
if R1 = R5 and R3 = R4 = R6 = R7
e
0
= (e
2
-e
1
)
As shown e
0
= 101 (e
2
- e
1
).
1
2R
1
R
2
-----------+
1/4
LM124
e
O
e
4
e
3
e
2
e
1
100k
W
100k
W
100k
W
100k
W
100k
W
100k
W
e
0
= e
1
+e
2
-e
3
-e
4
Where (e
1
+e
2
)
≥
(e
3
+e
4
)
to keep e
0
≥
0V
I
B
2N 929
0.001
m
F
I
B
3R
3M
W
I
B
Input current
compensation
e
o
I
B
e
I
1/4
LM124
Z
o
Z
I
C
1
m
F
2I
B
R
1M
W
2I
B
* Polycarbonate or polyethylene
*
1/4
LM124
1/4
LM124










