Datasheet

LM124-LM224-LM324
2/13
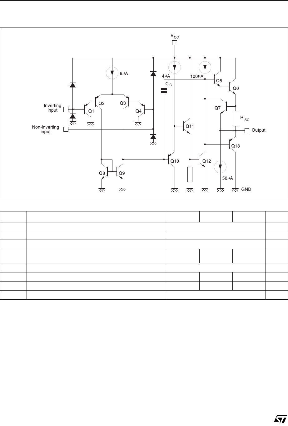
SCHEMATIC DIAGRAM (1/4 LM124)
ABSOLUTE MAXIMUM RATINGS
Symbol Parameter LM124 LM224 LM324 Unit
V
CC
Supply voltage ±16 or 32 V
V
i
Input Voltage -0.3 to +32 V
V
id
Differential Input Voltage
1)
1. Either or both input voltages must not exceed the magnitude of V
CC
+
or V
CC
-
.
+32 V
P
tot
Power Dissipation N Suffix
D Suffix
500 500
400
500
400
mW
mW
Output Short-circuit Duration
2)
2. Short-circuits from the output to VCC can cause excessive heating if V
CC
> 15V. The maximum output current is approximately 40mA independent
of the magnitude of V
CC
. Destructive dissipation can result from simultaneous short-circuit on all amplifiers.
Infinite
I
in Input Current
3)
3. This input current only exists when the voltage at any of the input leads is driven negative. It is due to the collector-base junction of the input PNP
transistor becoming forward biased and thereby acting as input diodes clamps. In addition to this diode action, there is also NPN parasitic action on
the IC chip. this transistor action can cause the output voltages of the Op-amps to go to the V
CC
voltage level (or to ground for a large overdrive)
for the time duration than an input is driven negative.
This is not destructive and normal output will set up again for input voltage higher than -0.3V.
50 50 50 mA
T
oper
Opearting Free-air Temperature Range -55 to +125 -40 to +105 0 to +70 °C
T
stg
Storage Temperature Range -65 to +150 °C










