User's Manual

Operating Manual
Shims
Shims
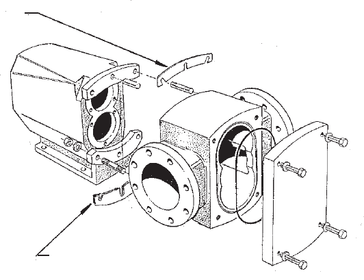
9.3 Removing the Rotorcase
1. Before proceeding disconnect the suction
and discharge piping.
2. Remove the rotors as described previously.
On pumps D5 and D6 shut the hinged front
cover (where fitted) and loosely fasten with
front cover screws.
3. Loosen gland followers or when fitted with
a flushed seal arrangement remove the
housing retaining nuts and ease the
housing away from the rotorcase.
4. Remove the rotorcase retaining nuts, and
tatp the rotorcase forwards with a soft mallet
until it clears the locking dowels. If the
pump is fitted with mechanical seals, care
must be taken to support the rotorcase as
it comes off the dowels otherwise the
mechanical seals may be damaged.
5. Between the rotorcase and gearcase,
preshaped plastic shims are used to adjust
the rotor clearances. These must be
replaced exactly as removed, otherwise
excessive wear or damage may occur to
the rotors and/or rotorcase.
6. Once the rotorcase is removed the seals/
gland packing can be examined.
28