User's Manual

Operating Manual
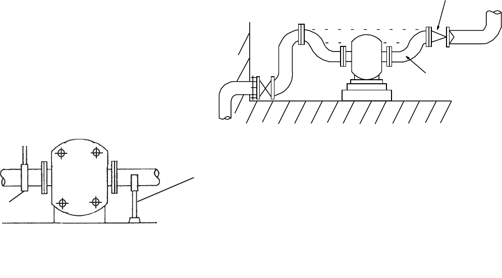
Pipework Support
Pipework Support
All pipework must be supported. The pump
must not be allowed to support any of the
pipework weight.
Remember - Pipework supports must also
support the weight of the
product being pumped.
Always :-
Have - Short straight suction lines to
reduce friction losses in the
pipework thereby improving
the NPSH available.
Use - Long radius bends wherever
possible.
Provide - Isolating valves on each side of the
pump to isolate the pump when
necessary.
Keep - Pipework horizontal where
applicable to reduce air locks.
Include eccentric reducers on
suction lines.
Check - Coupling alignment during
installation to highlight
pipework alignment/support
problems.
Install - A liquid trap around to pump to
assist in priming. (See below)
Non return valve
Fluid trapped to maintain
prime
4.6 Pipework
15