Starlet Series Line Source In-Wall Speakers Owner's Manual

Page 10 Starlet Owner’s Manual
SPEAKER ADJUSTMENTS
STARLET 4 ADJUSTMENTS
They Starlet 4 does not require any special woofer or tweeter adjustments.
STARLETS 6 and 9 LEVEL ADJUSTMENTS
Even experienced listeners have a difficult time adjusting the bi-amp levels for the Starlets 6 and 9 by ear, so SpeakerCraft has
developed a simple procedure for setting the level of the high and low frequency sections. When adjusted in this way, the
sound suddenly gains focus and resolution.
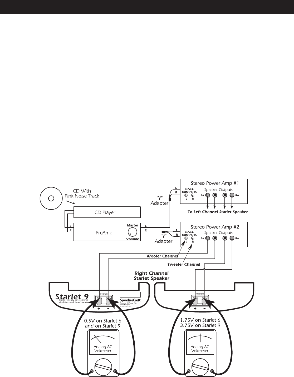
The basic procedure consists of using a noise source, specifically pink noise, and adjusting the woofer and tweeter levels using
an AC Voltmeter across the amplifier speaker outputs or the speaker inputs. Most installers should have both of these items,
but if not, SCT-1.0 Starlet Calibration Tools may be purchased separately. The SCT-1.0 is available in two configurations: as a kit
consisting of an appropriate voltmeter and a custom Test CD with a pink noise band or as a stand-alone Test CD. (See Page 2)
Procedure: After obtaining a pink noise source, which in most cases will be a test CD, set the master volume of the system to a
very low level, so that you can hear that the noise is running. Set the trim pot on the woofer channel of the amplifier to “0” (full
counter clockwise), and the tweeter level to “Max” (full clockwise). With your meter on the tweeter channel, turn the master
volume to get a reading of 1.75 volts on the Starlet 6 or 3.75 volts on the Starlet 9. Move the meter leads to the woofer channel
and advance the trim pot clockwise until you get a reading of 0.5 volts. (See Diagram 20)
Diagram 20:
Starlets 6 and 9 Level Adjustments