Platinum Series Radiant Broiler User Manual
Manuals
Brands
Southbend Manuals
Commercial Broilers
Platinum Series 32" Radiant Broiler with Two Broiler Burners and Overhead Warming Oven, Up to 155000 BTUs (NG)/135000 BTUs (LP), Standard Oven Base
31
32
33
34
35
36
37
38
39
40
OWNER’S MANUAL
1
199797 REV 0 (6/14)
P
AGE
37
OF 40
R
ADIANT
B
ROILER
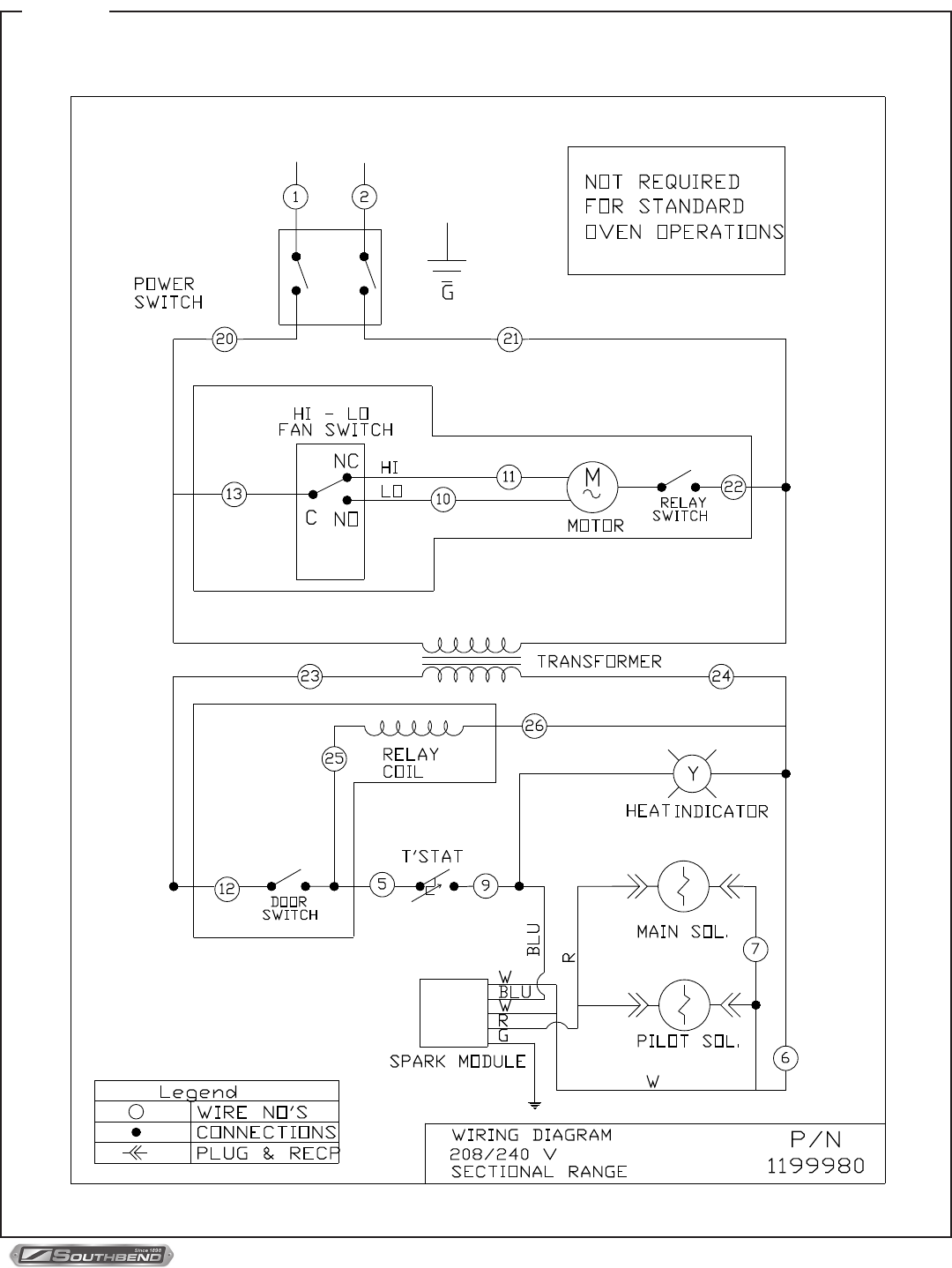
Figure 19
Wiring Diagram 240V Oven Base with Electronic Ignition
T
ROUBLESHOOTING
1
...
...
35
36
37
38
39
...
40