Datasheet

®
Ventile
2.121
Logik-Elemente Serie VR
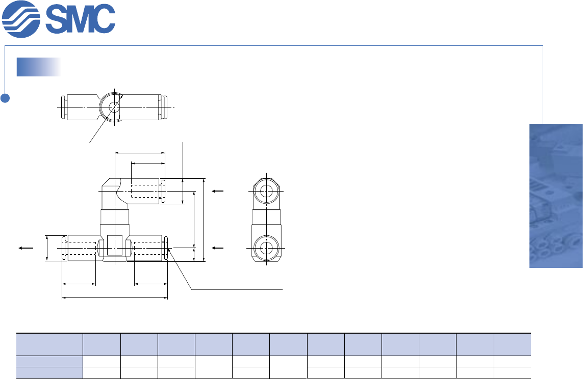
Abmessungen: UND-Ventil mit Steckverbindungen
VR1211F-04
Modell
VR1211F-06
4
6
d
11
12.8
D1
10.4
12.8
D2
14.8
53
53.2
L1
6.8
37.8
41.9
L4
21.9
25.2
L5
15.7
16.8
M1
15.8
16.8
M2
20.8
25.0
Gewicht
[g]
26.6
28.8
L3L2D3
[mm]
L5
EIN
EIN
øD2
øD1
L3L2
L4
M2
AUS
M1M1
L1
øD3
verwendbarer Schlauch -Ød