Datasheet

®
Ventile
2.119
Logik-Elemente Serie VR
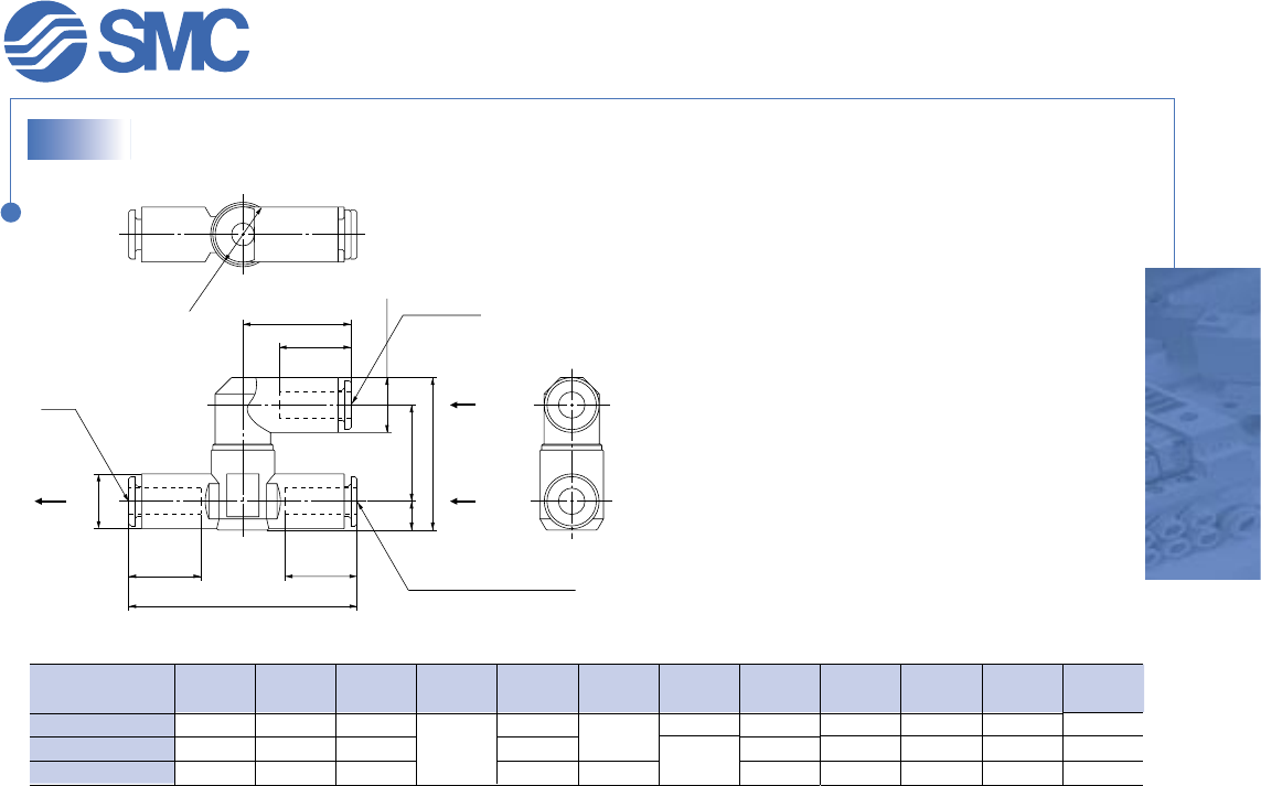
L5
EIN
EIN
øD2
øD1
L3L2
L4
M2
AUS
M1
verwendbarer Schlauch-Ød
hellgrau
hellgrau
M1
blau
L1
øD
3
VR1210F-04
Modell
VR1210F-06
VR1210F-08
d
11
12.8
15.2
D1
10.4
12.8
15.2
D2
14.8
53
53.2
60.4
L1
6.8
8.1
31.5
35.6
38.2
L4
21.9
25.2
28.2
L5
15.7
16.8
18.7
M1
15.8
16.8
18.7
M2
22.6
23.0
24.0
Gewicht
[g]
20.3
22.5
L3L2D3
[mm]
4
6
8
Abmessungen: Steckverbindungen VR1210F




