
Smart Power
®
Systems
A. C. MODULAR GENERATOR SYSTEM
Page 7 of 50
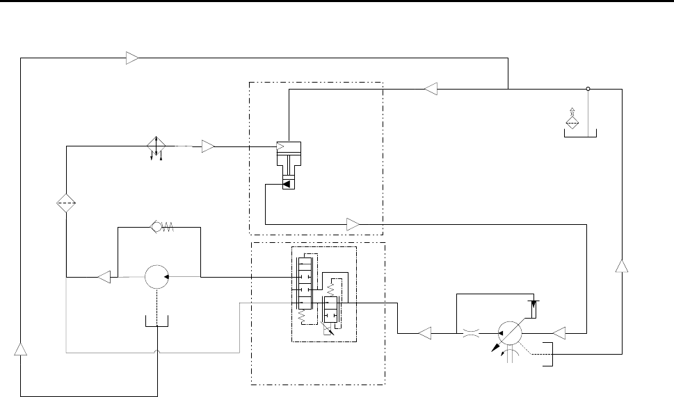
CASE DRAIN
x
y
RESERVOIR
PUMP
PROPORTIONAL
VALVE
CASE DRAIN
MOTOR
COOLER
FILTER
BOOST BLOCK
VENTURI BOOST
CHECK
VALVE
IN
BP
REG
Hydraulic schematic for HR-20, HR-25, and HR-30
generator system
Figure 1