User Manual
Manuals
Brands
Slant/Fin Manuals
Equipment
Intrepid Steam
11
12
13
14
15
16
17
18
19
20
16
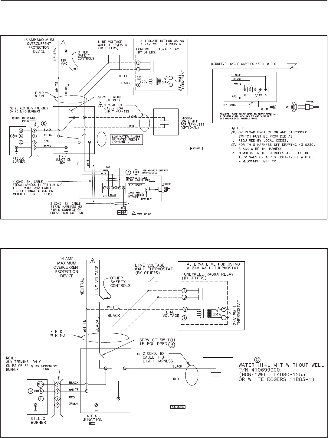
INTREPID
STEAM BOILER
WIRING FOR RIELLO BURNER AND McDONELL
MILLER P
.S.
801 L.W
.C.O.
FOR CONNECTION
T
O LINE
V
OL
T
A
GE
W
ALL
THERMOST
A
T (BY O
THERS)
W
A
TER BOILER
WIRING FOR RIELLO BURNER AND HIGH LIMIT
,
LINE V
OL
T
A
GE W
ALL THERMOST
A
T
(BY
O
THERS)
1
...
...
14
15
16
17
18
...
...
24