User Manual
Manuals
Brands
Slant/Fin Manuals
Equipment
Intrepid Steam
11
12
13
14
15
16
17
18
19
20
14
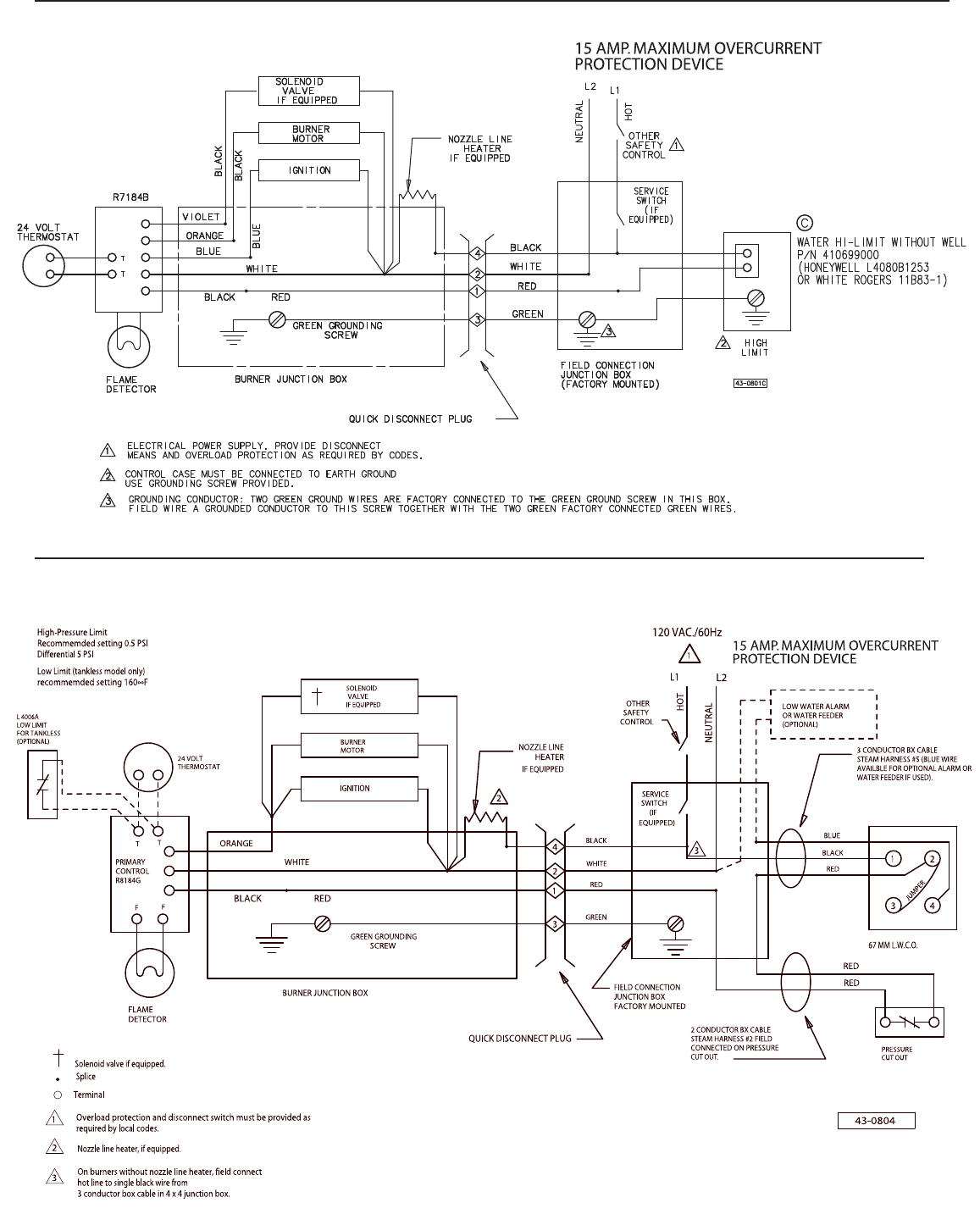
INTREPID
B
ASIC MODULE WIRING
(less circulator)
WIRING FOR P
A
CKA
GED STEAM BOILER EQUIPPED WITH McDONNELL NO
.67 L.W
.C.O.
1
...
...
12
13
14
15
16
...
...
24