User Manual
Manuals
Brands
Slant/Fin Manuals
Equipment
Intrepid Steam
11
12
13
14
15
16
17
18
19
20
12
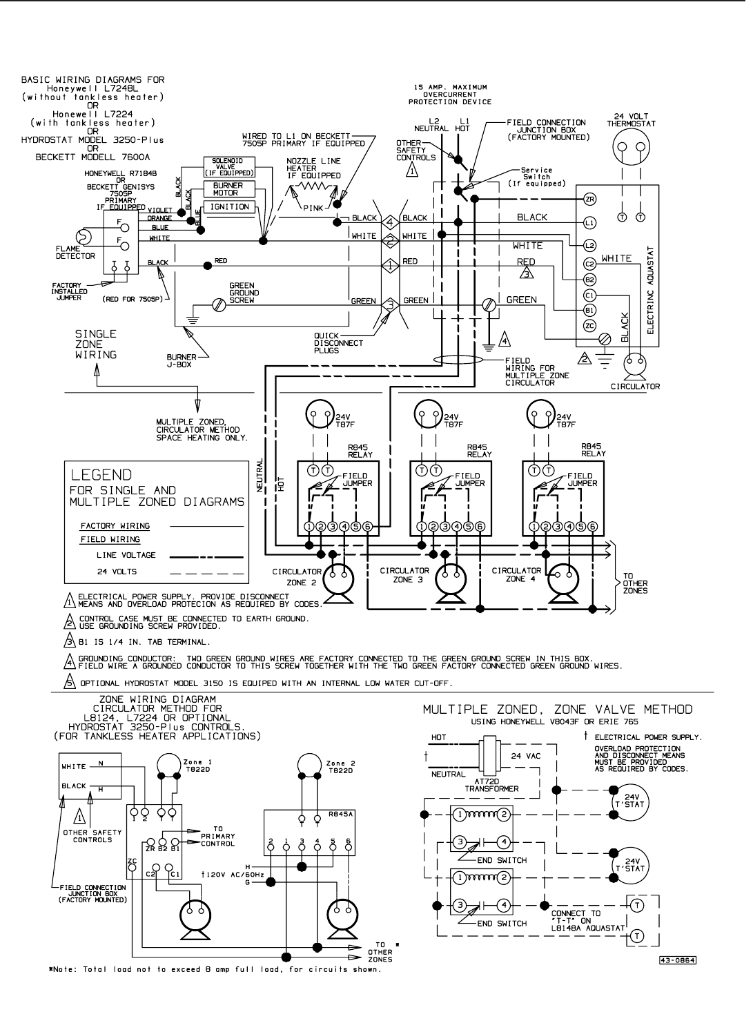
INTREPID
See page 13 for other primaries
SEE:
“Adjusting
Settings”
&
“Error Codes”
for
L7224C & L7248L
on page 13
1
...
...
10
11
12
13
14
...
...
24