Datasheet
Manuals
Brands
SKS HIRSCHMANN Manuals
Laboratory Connectors
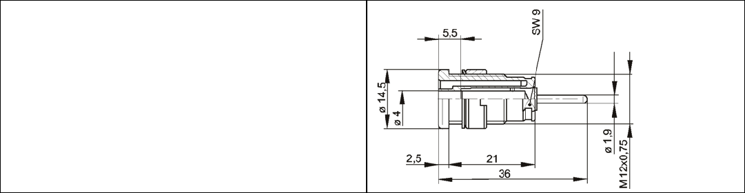
Safety jack socket Socket, vertical vertical Pin diameter: 4 mm Green SEB 2610 F6.3 1 pc(s)
1
2
Copyright ©2010 SKS-Kontakttechnik GmbH - printed: Tue Oct 19 2010 5:41:02
Seite 2 von 2
1
2