Instruction manual
Table Of Contents
- SIMRAD AP35 AUTOPILOT
- DOCUMENT HISTORY
- 1 GENERAL INFORMATION
- 2 OPERATION OF THE AUTOPILOT
- 2.1 Overview
- 2.2 ON/OFF - Standby mode
- Follow-Up steering
- 2.4 Non-Follow-Up steering
- 2.5 NFU Steering lever
- 2.6 NFU Push button remote control
- 2.7 R3000X Remote Control
- 2.8 S35 NFU Steering Lever
- 2.9 Automatic Steering
- 2.10 Automatic Speed selection
- 2.11 Manual speed selection
- 2.12 Navigating with the AP35
- 2.13 WORK-mode
- 2.14 TURN-mode
- 2.15 Dodging
- 2.16 Multiple station system
- 2.17 Lock function
- 2.18 User Set-up Menu
- 3 TECHNICAL SPECIFICATIONS
- 3.1 AP35 Autopilot System
- 3.2 AP35 Control Unit
- 3.3 Junction units
- 3.4 RFC35 Fluxgate compass
- 3.5 RC25 Rate Compass
- 3.6 CDI35 Course Detector Interface
- 3.7 RI35 Mk2 Rudder Angle Indicator
- 3.8 RF300 Rudder Feedback Unit
- 3.9 RF45X Rudder Feedback Unit
- 3.10 R3000X Remote
- 3.11 GI51 Gyro Interface
- 3.12 NI300X NMEA Interface
- 3.13 S35 NFU Steering Lever
- 3.14 FU50 Steering Lever
- 3.15 IP protection
- 4 INSTALLATION
- 4.1 General
- 4.2 Installation checklist
- 4.3 Unpacking and handling
- 4.4 Determine system configuration
- 4.5 AP35 System Layout
- 4.6 RF300 Rudder feedback
- 4.7 RF45X Rudder Feedback Unit
- 4.8 Junction unit
- 4.9 Drive unit
- 4.10 Control unit
- 4.11 RFC35 Fluxgate Compass
- 4.12 RC25 Rate Compass
- 4.13 R3000X Remote Control
- 4.14 FU50 Steering Lever
- 4.15 S35 NFU Steering Lever
- 4.16 F1/2 Remote Control
- 4.17 RI35 Mk2 Rudder Angle Indicator
- 4.18 Interfacing
- 4.19 Single NMEA input/output
- 4.20 Double NMEA input/output
- 4.21 Additional NMEA output on Port 2
- 4.22 Input from “NMEA Compass”
- 4.23 Radar Clock/Data
- 4.24 IS15 Instrument
- 4.25 Analog Repeater
- 4.26 Digital Repeater
- 4.27 External Alarm
- 4.28 NI300X NMEA Interface Unit
- 4.29 CI300X Compass Interface
- 4.30 GI51 Gyro Interface
- 4.31 CD100A Course Detector
- 4.32 CDI35 Interface
- 4.33 Software Setup Procedure
- 4.34 Sea Trial
- 4.35 Final sea trial
- 4.36 Providing user training
- 5 MAINTENANCE
- 6 TROUBLE SHOOTING
- 7 SPARE PARTS LIST

Simrad AP35 Autopilot
46 22083083K
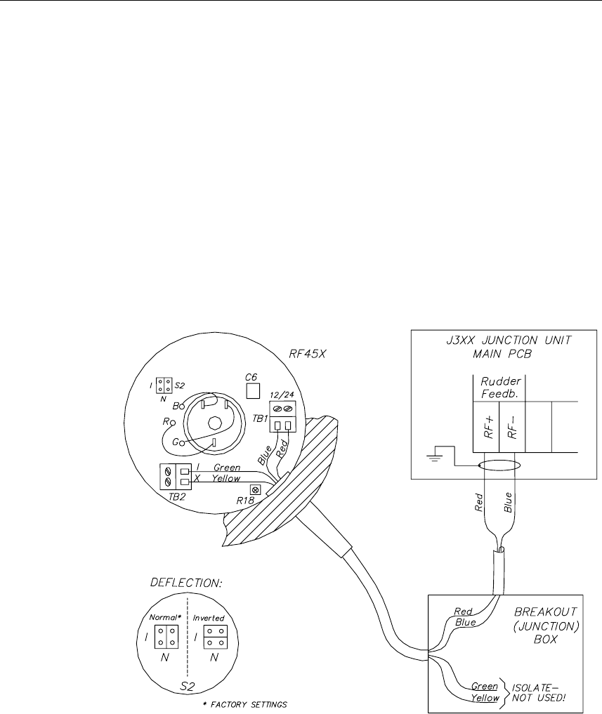
Electrical connection
Use a twisted pair cable AWG20 (0.5 mm
2
) between the breakout box and the
J3xx junction unit. The cable length is not critical but should be kept at a
minimum.
The cable should be connected to the junction unit according to Figure 4-5.
When splicing the cables in the breakout box, crimp the enclosed pins on
each wire of the extension cable. Otherwise the wires may be cut off at the
terminal point when the screws are tightened.
The screen is not terminated in RF45X and must be connected in the
junction unit.
Note ! The green and yellow wire is not used and must be isolated!
For final alignment, see page
72.
Figure 4-5 RF45X Connection










