
DDR3 SODIMM
Product Datasheet
Rev. 1.5a Nov. 2012
12
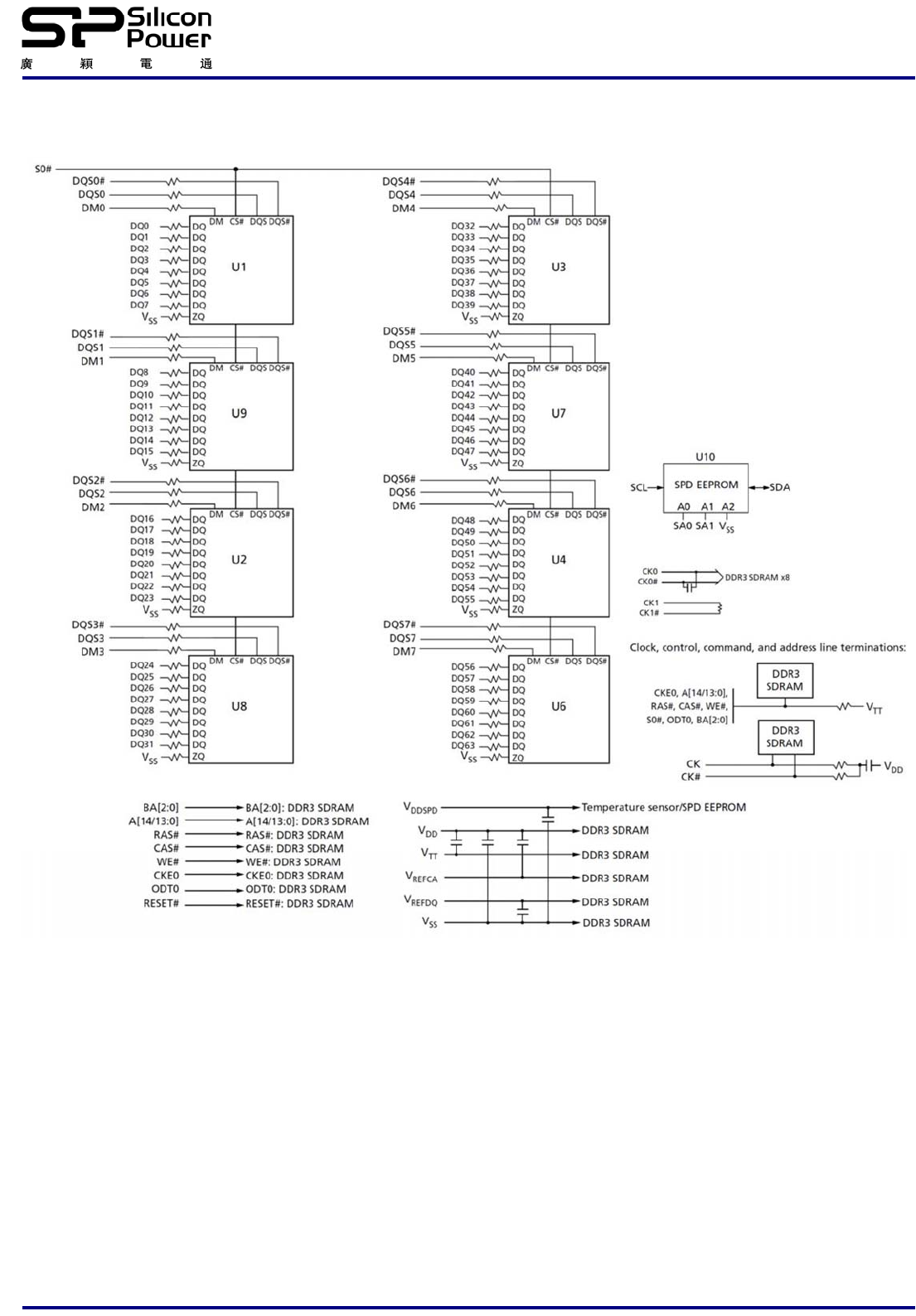
Block Diagram(x8 1Rank)
Note: The ZQ ball on each DDR3 component is connected to an external 240Ω resistor that is tied to
ground. It is used for the calibration of the component’s ODT and output driver.