User Manual
Table Of Contents

6 / 16
Siemens RXB24.1 – Room controller CM2N3874en_08
Building Technologies 2016-05-18
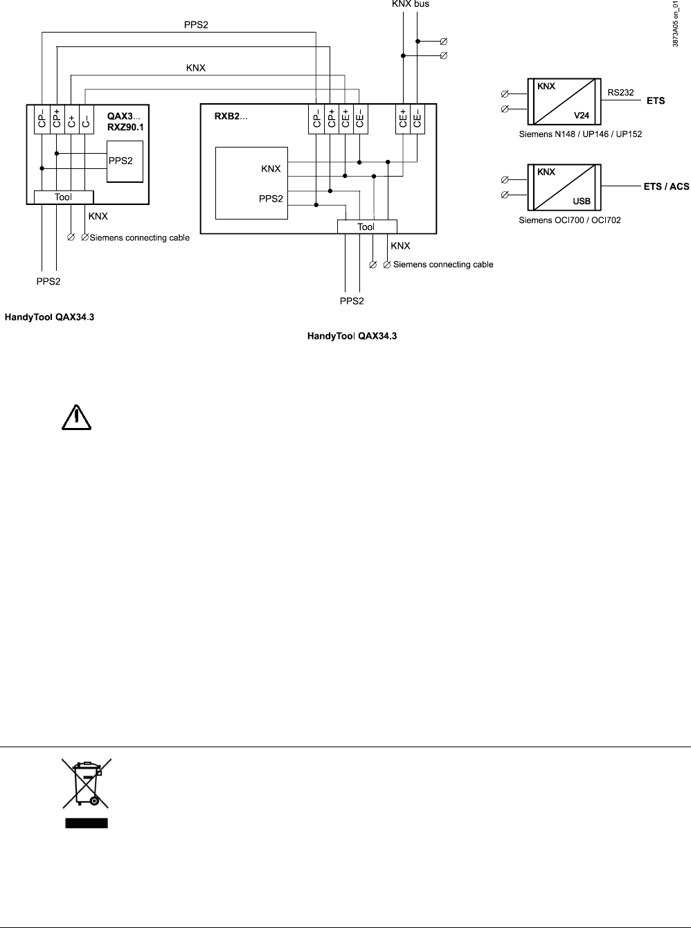
To facilitate commissioning, the tools ETS Profession or Synco ACS can be
connected at three different points (marked (
A) in the diagram) in the plant:
− to the KNX / EIB bus cable at any point
− to the RXB2… controller (RJ45 tool socket)
− to the room unit (RJ45 tool socket)
A
A
A
A
A
B
B
• The tool socket is a proprietary socket.
A Siemens connecting cable must be used (e.g. PXA-C1).
When connected to Ethernet, the device on the other end may be
damaged!
• The tools ETS and ACS, even if connected to a tool socket, require an interface:
− RS232 KNX/EIB interface (ETS)
− OCI700 / OCI702 USB-KNX / EIB interface (ETS , ACS).
• The "HandyTool" is connected to the tool socket of the room controller or to the
tool socket of the room unit (QAX3…, RXZ90.1) (
B).
• If you use OCI700 / OCI702 as an interface, it is connected to the service plug of
the controller or of the room unit.
As long as the OCI700 / OCI702 is connected to the service plug, it must be
supplied by the computer via the USB interface. Otherwise the LCD display
of the room unit will turn dark and the controller will switch to addressing mode.
Disposal
The device is considered an electronics device for disposal in terms of European
Directive 2012/19/EU and may not be disposed of as domestic garbage.
• Dispose of the device through channels provided for this purpose.
• Comply with all local and currently applicable laws and regulations.
Connecting the tool
Notes
Caution!