Basisdokumentation
Table Of Contents
- 1 Übersicht
- 2 Bedienung
- 3 Inbetriebnahme
- 4 Allgemeine Einstellungen
- 5 Allgemeine Funktionen, Grundlagen
- 6 Kesselregelung
- 6.1 Funktionsblock-Übersicht
- 6.2 Konfiguration
- 6.3 Kesselbetriebsarten und Kesselsollwerte
- 6.4 Freigeben und Sperren eines Kessels
- 6.5 Testbetrieb und Inbetriebnahmehilfen
- 6.6 Kesselschutzfunktionen
- 6.6.1 Maximalbegrenzung der Kesseltemperatur
- 6.6.2 Minimalbegrenzung der Kesseltemperatur
- 6.6.3 Optimierung Kesselminimaltemperatur
- 6.6.4 Kesselüberhitzungsschutz
- 6.6.5 Pumpenkick und Ventilkick
- 6.6.6 Frostschutz (Freigabe-Eing. Aus)
- 6.6.7 Anlagenfrostschutz Kesselpumpe
- 6.6.8 Kesselanfahrentlastung
- 6.6.9 Kesselabschaltung
- 6.6.10 Kesselfrostschutz
- 6.6.11 Rücklaufhochhaltung
- 6.6.12 Schutz vor Druckschlägen
- 6.7 Abgastemperaturüberwachung
- 6.8 Abgasmessbetrieb
- 6.9 Kesselstörung
- 6.10 Brennerbetriebsstunden-Zähler und Brennerstart-Zähler
- 6.11 Störungsbehandlung
- 6.12 Textbezeichnung für Kessel
- 6.13 Diagnosemöglichkeiten
- 7 Wärmebedarf und Wärmeanforderungen
- 8 Hauptregler und Vorregler
- 9 Heikreisregelung
- 9.1 Funktionsblock-Übersicht
- 9.2 Konfiguration
- 9.3 Betriebsarten im Heizkreis
- 9.4 Raumtemperatursollwerte
- 9.5 Witterungsgeführte Heizkreisregelung
- 9.6 Mischerregelung
- 9.7 Optimierungsfunktionen
- 9.8 Begrenzungs- und Schutzfunktionen
- 9.9 Wärmebedarf
- 9.10 Zusatzfunktionen
- 9.11 Störungsbehandlung
- 9.12 Diagnosemöglichkeiten
- 10 Brauchwasserbereitung
- 10.1 Funktionsblock-Übersicht
- 10.2 Konfiguration
- 10.3 Betriebsarten und Sollwerte
- 10.4 Speicherladung
- 10.5 Direkte Brauchwasserbereitung
- 10.6 Legionellenschutz
- 10.7 Primärregelung
- 10.8 Begrenzungs- und Schutzfunktionen
- 10.9 Wärmebedarf
- 10.10 Brauchwasservorrang
- 10.11 Zusatzfunktionen
- 10.12 Störungsbehandlung
- 10.13 Diagnosewerte
- 11 Logikfunktionen
- 11.1 Logik
- 11.1.1 Aktivieren der Logik
- 11.1.2 Zuordnung von Texten
- 11.1.3 Einstellwerte Schaltwert Ein und Aus
- 11.1.4 Einschaltverzögerung / Ausschaltverzögerung
- 11.1.5 Minimale Einschaltdauer
- 11.1.6 Minimale Ausschaltdauer
- 11.1.7 Betriebsschalter
- 11.1.8 Verdrahtungstest
- 11.1.9 Prioritäten
- 11.1.10 Hinweise
- 11.1.11 Anwendungsbeispiel Speicherladung
- 11.1.12 Anwendungsbeispiel RS-Flip Flop
- 11.1.13 Anwendungsbeispiel solare Brauchwasserbereitung
- 11.2 Komparator
- 11.2.1 Aktivieren des Komparators
- 11.2.2 Zuordnung von Texten
- 11.2.3 Grenzwert oben und Grenzwert unten
- 11.2.4 Einschaltverzögerung / Ausschaltverzögerung
- 11.2.5 Minimale Einschaltdauer
- 11.2.6 Minimale Ausschaltdauer
- 11.2.7 Anzeigewerte
- 11.2.8 Verdrahtungstest
- 11.2.9 Prioritäten
- 11.2.10 Fehlerbehandlung
- 11.2.11 Anwendungsbeispiel solare Brauchwasserbereitung
- 11.1 Logik
- 12 Funktionsblock Zähler
- 13 Funktionsblock Diverses
- 14 Funktionsblock Störungen
- 14.1 Funktionsblock-Übersicht
- 14.2 Konfiguration
- 14.3 Störungstaste
- 14.4 Störungstaste extern
- 14.5 Störungseigenschaften
- 14.6 Zustandsdiagramme der einzelnen Störungsarten
- 14.7 Vordefinierte Störungseingänge
- 14.8 Störungseingänge
- 14.9 Kommunikation
- 14.10 Störungsrelais
- 14.11 Störungsanzeige
- 14.12 Löschen aller Störungsmeldungen
- 14.13 Diagnosemöglichkeiten
- 15 Kommunikation
- 16 Hilfestellung bei Störungssuche
- 17 Anhang
- Stichwortverzeichnis

26/256
Siemens Modularer Heizungsregler RMH760B CE1P3133de
Building Technologies 3 Inbetriebnahme 2017-09-29
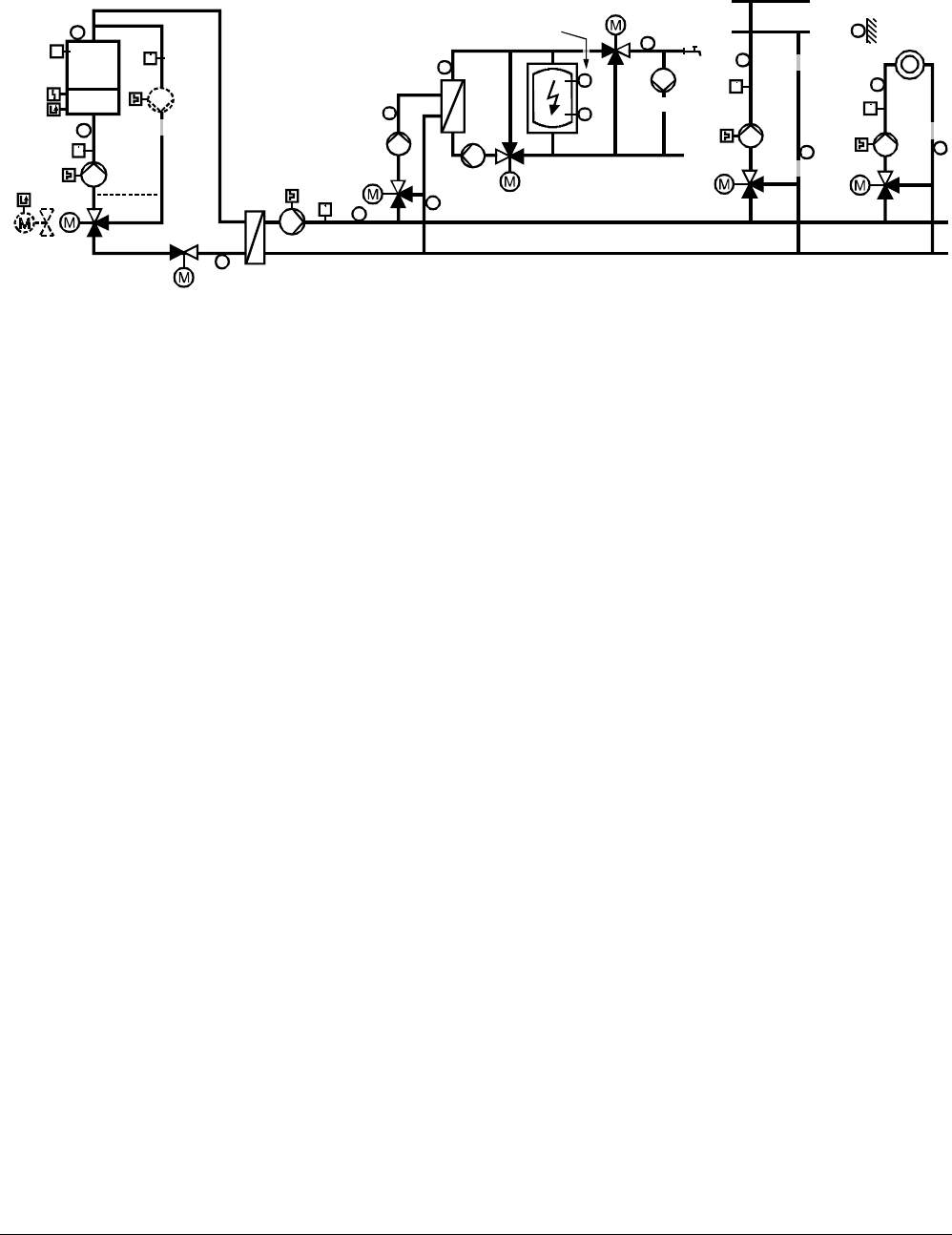
Die für die Grundfunktionen zwingend notwendigen Fühler und Standardausgänge sind
mit der Wahl des Anlagentyps automatisch vorgegeben und müssen deshalb nicht
zusätzlich konfiguriert werden.
In jedem Anlagentyp sind mehrere Anlagenelemente bereits vorkonfiguriert. Die
Zuordnung der Anlagenelemente zu den Klemmen zeigt die folgende
Zusammenstellung.
3133S65
V
V
MnPu
TFlMnPrCtr
VlvPrDhw
DhwPrPu
TFlPrDhw
TFlSecDhw
DhwSecPu
VlvPreHeatSecDhw
TRtDhw
1 = TStTaTopDhw
2 = TStTaBotDhw
VlvDhwCons
TFlDhwCons
1
2
PrCtrPu
VlvPrCtr
VlvHCx
PuHCx
TFlHCx
TOx
TFlPrCtr
DhwCiPu
VlvRtMx
VlvShOf
T
V
V
TBo
BuSt1
BuSt2
BuMdlt
TRtBo
BoPu
VlvMnPrCtr
TRtMnPrCtr
V
TRtPrCtr
TRtHCx
BoByPu
BoByPu
Boiler Bypass Pump
Kesselbeimischpumpe
BoPu
Boiler Pump
Kesselpumpe
BuMdlt
Burner Modulation
Brenner Modulation
BuSt1
Burner Stage 1
Brenner Stufe 1
BuSt2
Burner Stage 2
Brenner Stufe 2
DhwSecPu
Domestic Hot Water Secondary Pump
Brauchwasser Sekundärpumpe
DhwCiPu
Domestic Hot Water Circulation Pump
Brauchwasser Zirkulationspumpe
DhwPrPu
Domestic Hot Water Primary Pump
Brauchwasser Primärpumpe
MnPu
Main Precontrol Pump
Hauptreglerpumpe
PrCtrPu
Precontrol Pump
Vorreglerpumpe (Zubringerpumpe)
PUHCx
Heating Circuit x Pump (x =1…3)
Heizkreis Pumpe x (x =1…3)
TBo
Boiler Temperature
Kesseltemperatur
TFlDhwCons
Consumer Flow Temperature Domestic Hot Water
Brauchwasser Vorlauftemperatur Verbraucher
TFlSecDhw
Secondary Flow Temperature Domestic Hot Water
Brauchwasser Vorlauftemperatur Sekundär
TFlHCx
Flow Temperature Heating Circuit x (x = 1…3)
Vorlauftemperatur Heizkreis x (x = 1…3)
TFlMnPrCtr
Flow Temperature Main Precontrol
Vorlauftemperatur Hauptregler
TFlPrCtr
Flow Temperature Precontrol
Vorlauftemperatur Vorregler
TFlPrDhw
Primary Flow Temperature Domestic Hot Water
Brauchwasser Vorlauftemperatur Primär
TOx
Outside Temperature x (x = 1…3)
Aussentemperatur x (x = 1…3)
TRtBo
Return Temperature Boiler
Kesselrücklauftemperatur
TRtHCx
Return Temperature Heating Circuit x (x = 1…3)
Heizkreis x – Rücklauftemperatur (x = 1…3)
TRtMnPrCtr
Return Temperature Main Precontrol
Hauptregler-Rücklauftemperatur
TRtPrCtr
Return Temperature Precontrol
Vorregler-Rücklauftemperatur
TStTaBotDhw
Storage Tank Temp Bottom Domestic Hot Water
Brauchwasser-Speichertemperatur unten
TStTaTopDhw
Storage tank Temp Top Domestic Hot Water
Brauchwasser-Speichertemperatur oben
VlvMnPrCtr
Main Precontrol Valve
Ventil Hauptregler
VlvPrCtr
Precontrol Valve
Mischerventil Vorregler
VlvPrDhw
Primary Valve Domestic Hot Water
Primärmischer Brauchwasser
VlvPreHeatSecDhw
Secondary Preheat Valve Domestic Hot Water
Ventil für Sekundärhochhaltung
VlvHCx
Mixing Valve Heating Circuit x (x = 1…3)
Mischerventil Heizkreis x (x = 1…3)
VlvRtMx
Return Mixing Valve Boiler
Kesselrücklaufmischer
VlvDhwCons
Consumer Mixing Valve Domestic Hot Water
Verbrauchermischer Brauchwasser
VlvShOff
Shut Off Valve Boiler
Drosselklappe Kessel
Fühlerzuordnung
Vorkonfiguration der
Anlagentypen