Basisdokumentation
Table Of Contents
- 1 Übersicht
- 2 Bedienung
- 3 Inbetriebnahme
- 4 Allgemeine Einstellungen
- 5 Allgemeine Funktionen, Grundlagen
- 6 Kesselregelung
- 6.1 Funktionsblock-Übersicht
- 6.2 Konfiguration
- 6.3 Kesselbetriebsarten und Kesselsollwerte
- 6.4 Freigeben und Sperren eines Kessels
- 6.5 Testbetrieb und Inbetriebnahmehilfen
- 6.6 Kesselschutzfunktionen
- 6.6.1 Maximalbegrenzung der Kesseltemperatur
- 6.6.2 Minimalbegrenzung der Kesseltemperatur
- 6.6.3 Optimierung Kesselminimaltemperatur
- 6.6.4 Kesselüberhitzungsschutz
- 6.6.5 Pumpenkick und Ventilkick
- 6.6.6 Frostschutz (Freigabe-Eing. Aus)
- 6.6.7 Anlagenfrostschutz Kesselpumpe
- 6.6.8 Kesselanfahrentlastung
- 6.6.9 Kesselabschaltung
- 6.6.10 Kesselfrostschutz
- 6.6.11 Rücklaufhochhaltung
- 6.6.12 Schutz vor Druckschlägen
- 6.7 Abgastemperaturüberwachung
- 6.8 Abgasmessbetrieb
- 6.9 Kesselstörung
- 6.10 Brennerbetriebsstunden-Zähler und Brennerstart-Zähler
- 6.11 Störungsbehandlung
- 6.12 Textbezeichnung für Kessel
- 6.13 Diagnosemöglichkeiten
- 7 Wärmebedarf und Wärmeanforderungen
- 8 Hauptregler und Vorregler
- 9 Heikreisregelung
- 9.1 Funktionsblock-Übersicht
- 9.2 Konfiguration
- 9.3 Betriebsarten im Heizkreis
- 9.4 Raumtemperatursollwerte
- 9.5 Witterungsgeführte Heizkreisregelung
- 9.6 Mischerregelung
- 9.7 Optimierungsfunktionen
- 9.8 Begrenzungs- und Schutzfunktionen
- 9.9 Wärmebedarf
- 9.10 Zusatzfunktionen
- 9.11 Störungsbehandlung
- 9.12 Diagnosemöglichkeiten
- 10 Brauchwasserbereitung
- 10.1 Funktionsblock-Übersicht
- 10.2 Konfiguration
- 10.3 Betriebsarten und Sollwerte
- 10.4 Speicherladung
- 10.5 Direkte Brauchwasserbereitung
- 10.6 Legionellenschutz
- 10.7 Primärregelung
- 10.8 Begrenzungs- und Schutzfunktionen
- 10.9 Wärmebedarf
- 10.10 Brauchwasservorrang
- 10.11 Zusatzfunktionen
- 10.12 Störungsbehandlung
- 10.13 Diagnosewerte
- 11 Logikfunktionen
- 11.1 Logik
- 11.1.1 Aktivieren der Logik
- 11.1.2 Zuordnung von Texten
- 11.1.3 Einstellwerte Schaltwert Ein und Aus
- 11.1.4 Einschaltverzögerung / Ausschaltverzögerung
- 11.1.5 Minimale Einschaltdauer
- 11.1.6 Minimale Ausschaltdauer
- 11.1.7 Betriebsschalter
- 11.1.8 Verdrahtungstest
- 11.1.9 Prioritäten
- 11.1.10 Hinweise
- 11.1.11 Anwendungsbeispiel Speicherladung
- 11.1.12 Anwendungsbeispiel RS-Flip Flop
- 11.1.13 Anwendungsbeispiel solare Brauchwasserbereitung
- 11.2 Komparator
- 11.2.1 Aktivieren des Komparators
- 11.2.2 Zuordnung von Texten
- 11.2.3 Grenzwert oben und Grenzwert unten
- 11.2.4 Einschaltverzögerung / Ausschaltverzögerung
- 11.2.5 Minimale Einschaltdauer
- 11.2.6 Minimale Ausschaltdauer
- 11.2.7 Anzeigewerte
- 11.2.8 Verdrahtungstest
- 11.2.9 Prioritäten
- 11.2.10 Fehlerbehandlung
- 11.2.11 Anwendungsbeispiel solare Brauchwasserbereitung
- 11.1 Logik
- 12 Funktionsblock Zähler
- 13 Funktionsblock Diverses
- 14 Funktionsblock Störungen
- 14.1 Funktionsblock-Übersicht
- 14.2 Konfiguration
- 14.3 Störungstaste
- 14.4 Störungstaste extern
- 14.5 Störungseigenschaften
- 14.6 Zustandsdiagramme der einzelnen Störungsarten
- 14.7 Vordefinierte Störungseingänge
- 14.8 Störungseingänge
- 14.9 Kommunikation
- 14.10 Störungsrelais
- 14.11 Störungsanzeige
- 14.12 Löschen aller Störungsmeldungen
- 14.13 Diagnosemöglichkeiten
- 15 Kommunikation
- 16 Hilfestellung bei Störungssuche
- 17 Anhang
- Stichwortverzeichnis

149/256
Siemens Modularer Heizungsregler RMH760B CE1P3133de
Building Technologies 10 Brauchwasserbereitung 2017-09-29
Anlagentyp
Beschreibung
• Rücklaufbegrenzung
3133S57
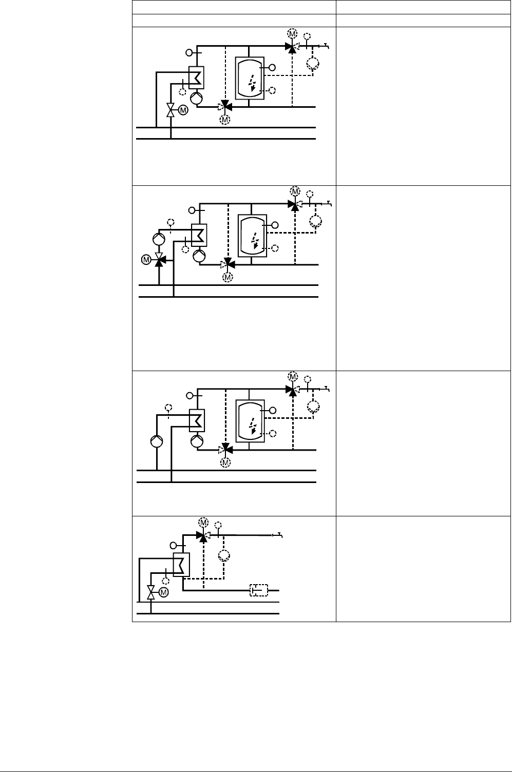
BW 3
Speicherladung mit externem
Wärmetauscher und
Durchflussregelung anhand der
Ladetemperatur (gesteuert über die
Speichertemperatur).
Optionen:
• Sekundärhochhaltung
• Speicherfühler unten
• Zirkulationspumpe
• Verbraucherregelung
• Elektroeinsatz
• Rücklaufbegrenzung
3133S58
BW 4
Speicherladung mit externem
Wärmetauscher, Primärpumpe und
Mischerregelung anhand der
Ladetemperatur oder der
Primärvorlauftemperatur (gesteuert
über die Speichertemperatur).
Optionen:
• Primärvorlauffühler
• Sekundärhochhaltung
• Speicherfühler unten
• Zirkulationspumpe
• Verbraucherregelung
• Elektroeinsatz
• Rücklaufbegrenzung
3133S59
BW 5
Speicherladung mit externem
Wärmetauscher und Primärpumpe
(gesteuert über die
Speichertemperatur).
Optionen:
• Primärvorlauffühler
• Sekundärhochhaltung
• Speicherfühler unten
• Zirkulationspumpe
• Verbraucherregelung
• Elektroeinsatz
3133S60
BW 6
Direkte Brauchwasserbereitung
(ständige Freigabe oder optional
Steuerung mit Durchflussschalter).
Optionen:
• Durchflussschalter (empfohlen)
• Zirkulationspumpe
• Verbraucherregelung
• Rücklaufbegrenzung
Ist der Brauchwasser-Anlagentyp undefiniert (--- in der Anzeige), dann wird auch der
Funktionsblock nicht aktiviert.