Basisdokumentation
Table Of Contents
- 1 Übersicht
- 2 Bedienung
- 3 Inbetriebnahme
- 4 Allgemeine Einstellungen
- 5 Allgemeine Funktionen, Grundlagen
- 6 Kesselregelung
- 6.1 Funktionsblock-Übersicht
- 6.2 Konfiguration
- 6.3 Kesselbetriebsarten und Kesselsollwerte
- 6.4 Freigeben und Sperren eines Kessels
- 6.5 Testbetrieb und Inbetriebnahmehilfen
- 6.6 Kesselschutzfunktionen
- 6.6.1 Maximalbegrenzung der Kesseltemperatur
- 6.6.2 Minimalbegrenzung der Kesseltemperatur
- 6.6.3 Optimierung Kesselminimaltemperatur
- 6.6.4 Kesselüberhitzungsschutz
- 6.6.5 Pumpenkick und Ventilkick
- 6.6.6 Frostschutz (Freigabe-Eing. Aus)
- 6.6.7 Anlagenfrostschutz Kesselpumpe
- 6.6.8 Kesselanfahrentlastung
- 6.6.9 Kesselabschaltung
- 6.6.10 Kesselfrostschutz
- 6.6.11 Rücklaufhochhaltung
- 6.6.12 Schutz vor Druckschlägen
- 6.7 Abgastemperaturüberwachung
- 6.8 Abgasmessbetrieb
- 6.9 Kesselstörung
- 6.10 Brennerbetriebsstunden-Zähler und Brennerstart-Zähler
- 6.11 Störungsbehandlung
- 6.12 Textbezeichnung für Kessel
- 6.13 Diagnosemöglichkeiten
- 7 Wärmebedarf und Wärmeanforderungen
- 8 Hauptregler und Vorregler
- 9 Heikreisregelung
- 9.1 Funktionsblock-Übersicht
- 9.2 Konfiguration
- 9.3 Betriebsarten im Heizkreis
- 9.4 Raumtemperatursollwerte
- 9.5 Witterungsgeführte Heizkreisregelung
- 9.6 Mischerregelung
- 9.7 Optimierungsfunktionen
- 9.8 Begrenzungs- und Schutzfunktionen
- 9.9 Wärmebedarf
- 9.10 Zusatzfunktionen
- 9.11 Störungsbehandlung
- 9.12 Diagnosemöglichkeiten
- 10 Brauchwasserbereitung
- 10.1 Funktionsblock-Übersicht
- 10.2 Konfiguration
- 10.3 Betriebsarten und Sollwerte
- 10.4 Speicherladung
- 10.5 Direkte Brauchwasserbereitung
- 10.6 Legionellenschutz
- 10.7 Primärregelung
- 10.8 Begrenzungs- und Schutzfunktionen
- 10.9 Wärmebedarf
- 10.10 Brauchwasservorrang
- 10.11 Zusatzfunktionen
- 10.12 Störungsbehandlung
- 10.13 Diagnosewerte
- 11 Logikfunktionen
- 11.1 Logik
- 11.1.1 Aktivieren der Logik
- 11.1.2 Zuordnung von Texten
- 11.1.3 Einstellwerte Schaltwert Ein und Aus
- 11.1.4 Einschaltverzögerung / Ausschaltverzögerung
- 11.1.5 Minimale Einschaltdauer
- 11.1.6 Minimale Ausschaltdauer
- 11.1.7 Betriebsschalter
- 11.1.8 Verdrahtungstest
- 11.1.9 Prioritäten
- 11.1.10 Hinweise
- 11.1.11 Anwendungsbeispiel Speicherladung
- 11.1.12 Anwendungsbeispiel RS-Flip Flop
- 11.1.13 Anwendungsbeispiel solare Brauchwasserbereitung
- 11.2 Komparator
- 11.2.1 Aktivieren des Komparators
- 11.2.2 Zuordnung von Texten
- 11.2.3 Grenzwert oben und Grenzwert unten
- 11.2.4 Einschaltverzögerung / Ausschaltverzögerung
- 11.2.5 Minimale Einschaltdauer
- 11.2.6 Minimale Ausschaltdauer
- 11.2.7 Anzeigewerte
- 11.2.8 Verdrahtungstest
- 11.2.9 Prioritäten
- 11.2.10 Fehlerbehandlung
- 11.2.11 Anwendungsbeispiel solare Brauchwasserbereitung
- 11.1 Logik
- 12 Funktionsblock Zähler
- 13 Funktionsblock Diverses
- 14 Funktionsblock Störungen
- 14.1 Funktionsblock-Übersicht
- 14.2 Konfiguration
- 14.3 Störungstaste
- 14.4 Störungstaste extern
- 14.5 Störungseigenschaften
- 14.6 Zustandsdiagramme der einzelnen Störungsarten
- 14.7 Vordefinierte Störungseingänge
- 14.8 Störungseingänge
- 14.9 Kommunikation
- 14.10 Störungsrelais
- 14.11 Störungsanzeige
- 14.12 Löschen aller Störungsmeldungen
- 14.13 Diagnosemöglichkeiten
- 15 Kommunikation
- 16 Hilfestellung bei Störungssuche
- 17 Anhang
- Stichwortverzeichnis

126/256
Siemens CE1P3133de
Building Technologies
Modularer Heizungsregler
RMH760B 9 Heizkreisregelung 2017-09-29
Mit dem Anschluss eines Raumtemperaturfühlers ist der Raumeinfluss nicht
automatisch aktiviert.
Als Raumtemperaturfühler kann ein analoger Fühler angeschlossen werden
(Zusatzkonfiguration) oder ein Raumgerät überträgt die Raumtemperatur über den Bus.
In Anlagen, in denen der Heizkreis zusammen
mit einer Lüftung als
Raumregelung
skombination arbeitet, darf der Raumtemperaturfühler der
Lüftungsanlage nicht in der Abluft platziert sein!
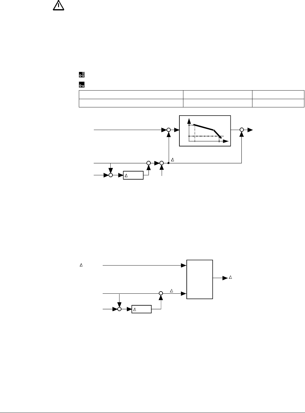
Mit der Einstellung Raumtemperatureinfluss V wird festgelegt, mit welchem
Verstärkungsfaktor die Raumtemperaturabweichung gewichtet werden soll. Diese
verstärkte Raumtemperatur wird als korrigierter Raumtemperatursollwert von der
Heizkennlinie verarbeitet.
Hauptmenü > Inbetriebnahme > Einstellungen > … oder
Hauptmenü > Einstellungen > Heizkreis 1 (bzw. 2 oder 3) > Optimierungen / Einflüsse
Bedienzeile
Bereich
Werkeinstellung
Raumtemperatureinfluss
---- / 0…10
----
3131B20
TOeff
+
-
SpTR
TR
20 °C
SpTFlDe
SpTFlHi
SpTRN
TFl
TOeff
TODe TOHi
+
-
+
-
+
+
TFl
SpTR
TR × V
-
Angenähert entspricht die Vorlauftemperatur-Sollwertänderung durch die
Raumtemperaturabweichung
∆TV dem Wert
∆TFl=∆TR × V × (sHc + 1)
∆TFl
Vorlauftemperatur-Sollwertänderung
sHc
Heizkennliniensteilheit
∆TR
Raumtemperatur-Sollwertänderung
Sp
Sollwert
V
Raumtemperatureinfluss
TRx
Raumtemperatur
Während der Schnellaufheizung bewirkt die Raumsollwertüberhöhung ebenfalls eine
Anhebung des Vorlaufsollwertes. In diesem Fall wird der grössere der beiden Werte zur
Sollwertbildung benützt.
3131B22
SpTR
TR
+
-
TR
TR × V
-
TRBoost
MAX TReff
Der resultierende Raumtemperatursollwert ist nach unten auf 5 °C und nach oben auf
35 °C begrenzt.
Pro Regler kann nur ein Sonnenintensitätsfühler aufgeschaltet werden. Konfiguration
und Parametrierung siehe Kapitel 13 "Funktionsblock Diverses".
Der Einfluss der Sonnenintensität wird pro Heizkreis separat eingestellt. Er ist
ausschaltbar (Eingabe ----).
⇒
Einstellungen
Faustformel
Einfluss der
Sonnenintensität