User Manual
Manuals
Brands
Siemens Manuals
Indicating units
Presence Detector QPA82.2
1
2
3
4
5
6
7
8
CM1N5483D / 10.1998
Siemens Building Technologies
8/8
Landis & Staefa Division
5483M01
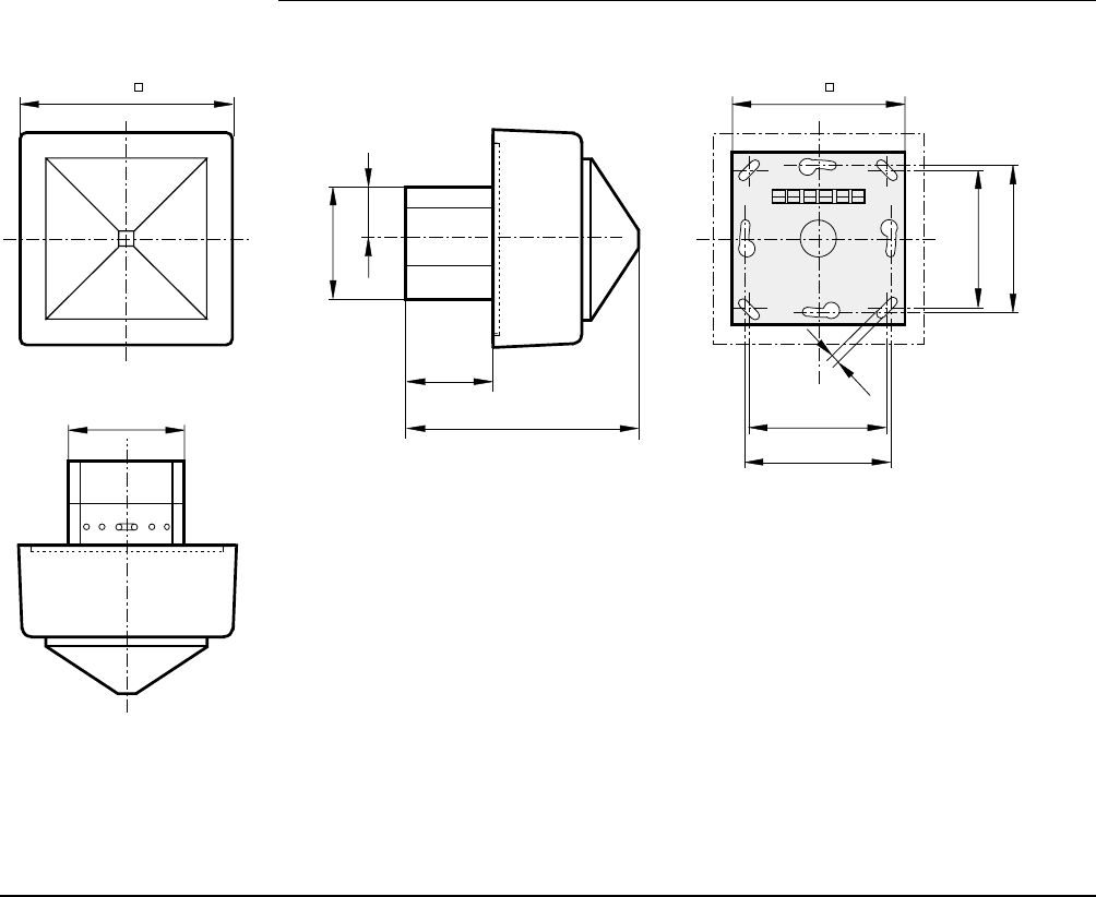
87
70
56
60
4
56
60
35,5
95
21,3
46,3
48
Maßbild
Maße in mm
1998 Siemens Building Technologies AG
.
.
.
.
.
.
.
.
.
.
.
.
.
.
.
.
.
.
.
.
.
.
1
...
...
6
7
8