Data Sheet for Product

8 / 8
Siemens Frost detectors A6V10432020_en--_d
2021-04-07
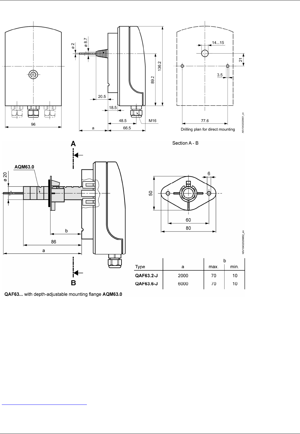
Dimensions
(Dimensions in mm)
Published by:
Siemens Switzerland Ltd.
Smart Infrastructure
Global Headquarters
Theilerstrasse 1a
CH-6300 Zug
Switzerland
Tel. +41 58-724 24 24
www.siemens.com/buildingtechnologies
© Siemens Switzerland Ltd 2014
Delivery and technical specifications subject to change