Data Sheet for Product

7 / 8
Siemens Frost detectors A6V10432020_en--_d
2021-04-07
Diagrams
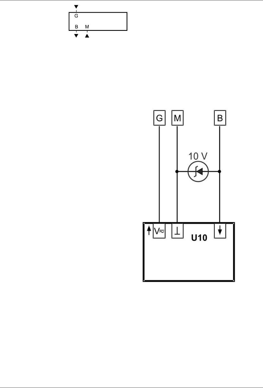
G System voltage (SELV) AC 24 V
M System neutral, measuring neutral
B Signal output DC 0...11.5 V ≙ 0...15 °C
Note:
If terminal "B" of the QAF… is connected to a controller,
signal >10 V might drop out (e.g. 11 V) which, with certain
types of controllers, can lead to a fault status message.
Remedy:
Fit a Zener diode to terminal "B" of the QAF.. or to the
controller’s input to ensure that the DC 0…10 V signal will
not exceed 10 V.
Internal diagram