User Manual
Table Of Contents

10/12
Siemens Actuators for fire and smoke protection dampers GRA126.1E/.., GRA326.1E/.. A6V10888424en
Building Technologies 2016-12-05
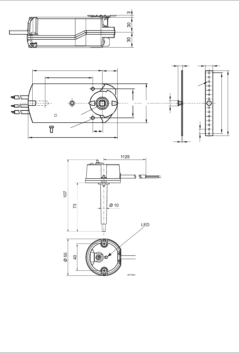
Dimensions
Actuator
141
178
28
60
81
19
113
Taptite
M6 x 16
4620M01
12
10,6
20
180
5
Ø
10,5
Ø
2
168
8/10/12/15
LED function
š Red = Operating voltage OK
Thermo sensor defect
š Green = Operating voltage OK
Thermo sensor OK
˜ Dark = No operating voltage
Dimensions in mm
Temperature
monitoring unit










