Operating Instructions
Function diagrams
Vector control
2-588
© Siemens AG 2008 - 2013 All Rights Reserved
SINAMICS G120 CU230P-2 Control Units List Manual (LH9), 01/2013
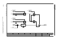
Fig. 2-82 6710 – Current setpoint filter
- 6710 -
Function diagram
87654321
fp_6710_97_51.vsd
Vector control
G120 CU230P-2
12.12.2012 V4.6
Current setpoint filter
Iq
M
Iq_max
Iq_min
[6060.8]
[6640.8]
[6220.8]
[6220.8]
[2526.6]
[6640.8]
0
1
0
1
[2526.6]
ZSW cl-loop ctrl
r0056
r0056
.14
Isq_max [Aeff]
r1536
ZSW cl-loop ctrl
r0056
r0056
.15
Isq_min [Aeff]
r1537
r0079
M_set [Nm]
Isq_s T_smth FW
0.1 ... 50.0 [ms]
p1654 [D] (4.8)
r0077
Iq_set [Aeff]
Interpolator and
smoothing for
voltage limits
0
1
1
0
[2526.6]
ZSW cl-loop ctrl
r0056
r0056
.7
[6714.1]
[6730.1]










