Operating Instructions
Overviews
Function diagrams
2-505
© Siemens AG 2008 - 2013 All Rights Reserved
SINAMICS G120 CU230P-2 Control Units List Manual (LH9), 01/2013
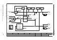
Fig. 2-7 1710 – Vector control, current control
- 1710 -
Function diagram
87654321
fp_1710_97_01.vsd
Overviews
G120 CU230P-2
12.12.2012 V4.6
Vector control, current control
Iq
M
–
+
+
–
+
+
–
Iq
M
–
K
P
p1764 p1767
+
+
+
+
+
[1700.3]
[1700.1]
[1700.8]
[6722.1]
[6723.4]
[6724.4]
[6710] Current setpoint filter
Field weakening
controller
Field weakening
characteristic
Current calculation
[6722] Field weakening characteristic, Id setpoint
[6723] Field weakening control, flux controller for induction motors
(p0300 = 1)
n_pre-control
n_model
iq controller
id controller
[6714] Current controller
Transformation
Current
model
Motor model
(Observer)
[6730] Interface to the Power Module for an induction motor (p0300 = 1)
[6731] Interface to the Power Module for a synchronous motor (p0300 = 2)
I_phase actual value
V_phase actual value
r0079
M_set [Nm]
U_output max [Veff]
r0071
r0075
Id_set [Aeff]
r0078
Iq_act [Aeff]
r0076
Id_act [Aeff]
r0072
U_output [Veff]
r0070
Vdc act val [V]
r0074
Modulat_depth [%]
r0066
f_outp [Hz]
r0077
Iq_set [Aeff]
M_set static
-200.0 ... 200.0 [%]
p1610 [D] (50.0)
M_suppl_accel
0.0 ... 200.0 [%]
p1611 [D] (30.0)
I_ctrl Kp
p1715
I_ctrl Tn
p1717
I_ctrl Kp
p1715
I_ctrl Tn
p1717
f_Slip [Hz]
r0065
Flex setp
50.0 ... 200.0 [%]
p1570 [D] (103.0)
V_set
Value range and/or factory setting depend on Power Module.
<1>
<1>
U_angle
U_set
Efficiency opt.
0 ... 100 [%]
p1580 [D] (100)