Operating Instructions
3 Function diagrams
3.10 Vector control / U/f control
SINAMICS G120 CU230P-2 Control Units
660 List Manual, 04/2018, A5E33838102
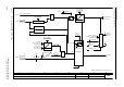
Fig. 3-94 6730 – Interface to the Power Module (ASM, p0300 = 1)
- 6730 -
Function diagram
87654321
fp_6730_97_01.vsd
Vector control / U/f control
G120 CU230P-2
13.03.2018 V4.7_10
Interface to the Power Module (ASM, p0300 = 1)
PWM
M
~
U
V
W
+ BRP
-BRN
P24
M
p1750 p1755 p1756 p1758
2
p1759
[6300.1]
[6640.1]
Iq
M
[6722.6]
r1408.12 [8012.6]
[6300.8]
[6799.1]
[8022.1]
[6797.1]
[6799.1]
[6799.1]
[2526.2]
Motor model
Stall monitoring
Model control
Vibration damping
Sign
+ or -
Brake control
I_max Power Module
Pulse enable HW
DC link voltage (Vdc)
Power Module
Control Unit
U_set
U_angle
r0070
Vdc act val [V]
r0072
U_output [Vrms]
r0074
Mod_depth [%]
ZSW cl-loop ctrl
r0056
r0056
.11
r0066
f_outp [Hz]
ZSW cl-loop ctrl
r0056
r0056
.07
R_stator act
r0395
r0084
Actual flux [%]
MotMod status
r1751
[6310.1], [6799.1]
Outp_ph_seq rev
p1820
p1745
[6320.1]
[6723.1]
[6799.1]
[8022.1]
r0087
Cos phi act
[6799.1]
[6640.5]
[6710.1]
[6799.7]
[2526.2]
[6714.1]
r0069
I_phase act val [A]
[0..8]
U_phase act val [V]
r0089[0..2]
[6300.8]
Power Module Interface
I_max Power Module
+
-
r1770
MotMod n_adapt Kp [rpm]
Kp Tn
p1764
Pre-control speed
Adaptation controller
[6030.8]
Current model
p1767
+
+
+
+
+
r1771
MotMod n_adapt Tn [rpm]
+
+
Gain res_damp
p1740
–
ASM: Asynchronmotor (induction motor)
r0063
Actual speed
[rpm]
[0]
[6310.4]
[6797.1]
f_Slip
r0065










