Operating Instructions

Function diagrams
Free function blocks
2-622
© Siemens AG 2008 - 2013 All Rights Reserved
SINAMICS G120 CU230P-2 Control Units List Manual (LH9), 01/2013
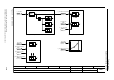
Fig. 2-114 7270 – LVM (double-sided limit monitor with hysteresis)
- 7270 -
Function diagram
87654321
fp_7270_97_59.vsd
Complex function blocks
G120 CU230P-2
12.12.2012 V4.6
LVM (limit value monitor, double-sided with hysteresis)
QM
QU
QL
M-L M+L
HY HY
L
L
0
1
M
MLHY
0
1
0
1
X
LVM 1LVM 0
LVM 0 input X
(0)
p20266
LVM 0 RunSeq
0 ... 7999
p20274 (720)
LVM 0 RTG
5 ... 9999
p20273 (9999)
LVM 0 avg value M
-340.28235E36 ... 340.28235E36
p20267 (0.0000)
LVM 0 limit L
-340.28235E36 ... 340.28235E36
p20268 (0.0000)
LVM 0 hyst HY
-340.28235E36 ... 340.28235E36
p20269 (0.0000)
LVM 0 X above QU
r20270
LVM 0 X within QM
r20271
LVM 0 X below QL
r20272
QM
QU
QL
M-L M+L
HY HY
L
L
0
1
M
MLHY
0
1
0
1
X
LVM 1 input X
(0)
p20275
LVM 1 RunSeq
0 ... 7999
p20283 (730)
LVM 1 RTG
5 ... 9999
p20282 (9999)
LVM 1 avg value M
-340.28235E36 ... 340.28235E36
p20276 (0.0000)
LVM 1 limit L
-340.28235E36 ... 340.28235E36
p20277 (0.0000)
LVM 1 hyst HY
-340.28235E36 ... 340.28235E36
p20278 (0.0000)
LVM 1 X above QU
r20279
LVM 1 X within QM
r20280
LVM 1 X below QL
r20281