Operating Instructions

Input/output terminals
Function diagrams
2-507
© Siemens AG 2008 - 2013 All Rights Reserved
SINAMICS G120 CU230P-2 Control Units List Manual (LH9), 01/2013
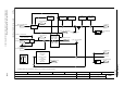
Fig. 2-8 2221 – Digital inputs, isolated (DI 0 ... DI 5)
- 2221 -
Function diagram
87654321
fp_2221_97_01.vsd
Input/Output Terminals
G120 CU230P-2
12.12.2012 V4.6
Digital inputs, electrically isolated (DI 0 … DI 5)
+24 V OUT
Kl. 9
Kl. 5
Kl. 6
Kl. 7
Kl. 17
p0795.1
p0795.2
p0795.5
Kl. 28
GND
24 V
5 V
<1>
1
0
1
0
1
0
1
0
1
1
1
1
DI 5
DI 2
DI 1
DI 0
r0721.0
r0721.1
r0721.2
r0721.5
p0796.5
p0796.2
p0796.1
p0796.0
Kl. = Terminal
CU DI status inv
r0723
r0723
CU DI status
r0722
r0722
Kl. 8
p0795.3
1
0
1
DI 3
r0721.3
p0796.3
Kl. 16
p0795.4
1
0
1
DI 4
r0721.4
p0796.4
CU DI simulation
p0795
1 = Simulation on
.0
.0
CU DI status inv
r0723
r0723
CU DI status
r0722
r0722
.1
.1
CU DI status inv
r0723
r0723
CU DI status
r0722
r0722
.2
.2
CU DI status inv
r0723
r0723
CU DI status
r0722
r0722
.3
.3
CU DI status inv
r0723
r0723
CU DI status
r0722
r0722
.4
.4
CU DI status inv
r0723
r0723
CU DI status
r0722
r0722
.5
.5
T0
T0
CU DI t_debounce
p0724
T0
T0
T0
T0
CU DI t_debounce
p0724
CU DI t_debounce
p0724
CU DI t_debounce
p0724
CU DI t_debounce
p0724
CU DI t_debounce
p0724
.0
External power supply
24 V DC
Kl. 69
DI COM
PNP
Kl. 9
Kl. 5
Kl. 6
Kl. 7
Kl. 17
Kl. 28
GND
DI 5
DI 2
DI 1
DI 0
Kl. 8
DI 3
Kl. 16
DI 4
Kl. 69
NPN
+24 V OUT
DI COM
Kl. 5
Kl. 6
Kl. 7
Kl. 17
DI 5
DI 2
DI 1
DI 0
Kl. 8
DI 3
Kl. 16
DI 4
Kl. 69
DI COM
or
<1>
<1>
Sampling time of the DI : 2 ms