Operating Instructions

SINAMICS G120 CU230P-2 Control Units
List Manual (LH9), 04/2014, A5E33838102B AA
593
3 Function diagrams
3.10 Vector control
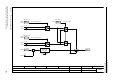
Fig. 3-86 6710 – Current setpoint filter
- 6710 -
Function diagram
87654321
fp_6710_97_51.vsd
Vector control
G120 CU230P-2
07.04.2014 V4.7
Current setpoint filter
Iq
M
Iq_max
Iq_min
[6060.8]
[6640.8]
[6220.8]
[6220.8]
[2526.7]
[6220.8]
[6640.8]
0
1
0
1
[2526.7]
[6220.8]
ZSW cl-loop ctrl
r0056
r0056
.14
Isq_max [Arms]
r1536
ZSW cl-loop ctrl
r0056
r0056
Isq_min [Arms]
r1537
r0079
M_set [Nm]
r0077
Iq_set [Arms]
Interpolator and
smoothing for
voltage limits
0
1
1
0
[2526.6]
ZSW cl-loop ctrl
r0056
r0056
.15
.7
1 = Vdc_max controller active
1 = Vdc_min controller active
1 = Frequency, negative
Isq_s T_smth FW
p1654 [D]
[6730.1]
[6714.1]