Operating Instructions
3 Function diagrams
3.10 Vector control
SINAMICS G120 CU230P-2 Control Units
584 List Manual (LH9), 04/2014, A5E33838102B AA
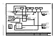
Fig. 3-77 6300 – U/f control, overview
- 6300 -
Function diagram
87654321
fp_6300_97_01.vsd
Vector control
G120 CU230P-2
07.04.2014 V4.7
U/f control, overview
Imax closed-loop
frequency control
p1340 ... p1341
Imax closed-loop
voltage control
p1345 ... P1346
[6310]
[6320]
[6310] [6310]
[3050.8]
[8016.8]
[6730.4]
[6714.8]
[6730.4]
60
[6301.8]
100 ms
100 ms
[6030.1]
MIN
r0056
.
.
.
Ramp-function
generator
I_max reduction
I_max Power Module
f_set
r1119
RFG setp at inp [rpm]
r1170
n_ctrl setp sum [rpm]
I_max_ctrl U_outp [Vrms]
r1344
Mot PolePairNo act
r0313 [D]
r0066
f_outp [Hz]
f_outp smooth [Hz]
r0024
r0025
U_outp smooth [Vrms]
r0072
U_output [Vrms]
Vdc_ctrl config
p1280
Flying restart
mode
p1200
Speed actual
value calculation
Slip
compensation
p1334, p1335
Uf Res_damp
gain
p1338
Control mode
p1300
V_boost perm
p1310
ZSW cl-loop ctrl
r0056
r0056
.13
PU P_rated [kW]
r0206
[2]
<1> PM250, PM260: The current limit is calculated out of r0206 [2] in generative operation.
r1348
U/f Eco fac act v [%]
r1343
I_max_ctrl f_outp [rpm]
r0067
I_outp max [Arms]
r0082
P_act [kW]
[0]
r0068
I_act abs val [Arms]
[0]
V_boost accelerate
p1311
V_boost starting
p1312
Eco mode
[6799.8]
–
+
<1>
[2526]
[6301]
+
+
+
+ +
+
V_set
+
+