Operating Instructions
3 Function diagrams
3.12 Vector control, Dynamic Drive Control (p0096 = 2)
SINAMICS G120 CU230P-2 Control Units
690 List Manual, 04/2018, A5E33838102
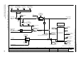
Fig. 3-122 6841 – Interface to the Power Module (ASM, p0300 = 1, p0096 = 2)
- 6841 -
Function diagram
87654321
fp_6841_97_01.vsd
Vector control, Dynamic Drive Control
G120 CU230P-2
13.03.2018 V4.7_10
Interface to the Power Module (ASM, p0300 = 1, p0096 = 2)
PWM
M
~
U
V
W
+ BRP
-BRN
P24
M
p1755 p1756 p1758 p1759
[6828.1]
Iq
M
[6837.6]
r1408.12 [8012.6]
[6833.8]
[6799.1]
[8021.1]
[6799.5]
[6844.1]
[2526.2]
Model control
Vibration damping
Sign
+ or -
I_max PM
Brake control
Pulse enable HW
DC link voltage (Vdc)
Power Module
Control Unit
U_set
U_angle
r0070
Vdc act val [V]
r0072
U_output [Vrms]
r0074
Mod_depth [%]
ZSW cl-loop ctrl
r0056
r0056
.11
r0066
f_outp [Hz]
ZSW cl-loop ctrl
r0056
r0056
.07
MotMod status
r1751
[6822.8]
[6799.1], [6844.1]
p1745
[6838.1]
[6799.1]
[8021.1]
[6828.5]
[6832.1]
[6833.1]
r0069
I_phase act val [A]
[0..6]
U_phase act val [V]
r0089[0..2]
[2526.2]
[6833.8]
Power Module Interface
+
-
I_max PM
[6799.1]
Motor model
Stall monitoring
R_stator act
r0395
r0084
Actual flux [%]
Outp_ph_seq rev
p1820
r0087
Cos phi act
[6799.1]
[6844.1]
Kp Tn
p1764
Pre-control speed
Adaptation controller
p1767
f_Slip [Hz]
r0065
+
+
Gain res_damp
p1740
2
ASM: Asynchronmotor (induction motor)
r1770
MotMod n_adapt
Kp [rpm]
Current model
+
+
+
+
+
r1771
MotMod n_adapt
Tn [rpm]
–
r0063
Actual speed [rpm]
[0]