Operating Instructions

SINAMICS G120 CU230P-2 Control Units
List Manual, 04/2018, A5E33838102
651
3 Function diagrams
3.10 Vector control / U/f control
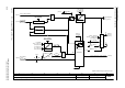
Fig. 3-85 6630 – Upper/lower torque limit
- 6630 -
Function diagram
87654321
fp_6630_97_51.vsd
Vector control / U/f control
G120 CU230P-2
13.03.2018 V4.7_10
Upper/lower torque limit
M
n
43
M
n
21
<1>
!
Upper torque limit
Lower torque limit
Danger: Negative values at <1>
positive values at <2>
represent a minimum torque for the other torque direction and can cause the motor to accelerate uncontrollably.
M_max upper
-1000000.00 ... 20000000.00 [Nm]
p1520 [D] (0.00)
M_max upper
(1520[0])
p1522 [C]
M_max upper scal
(1524[0])
p1528 [C]
M_max lower
(1521[0])
p1523 [C]
M_max lower scal
(1525[0])
p1529 [C]
<2>
!
!
M_max lower
-20000000.00 ... 1000000.00 [Nm]
p1521 [D] (0.00)
M_max lower scal
-2000.0 ... 2000.0 [%]
p1525 [D] (100.0)
M_max up/mot scal
-2000.0 ... 2000.0 [%]
p1524 [D] (100.0)
r1526
M_max up w/o offs [Nm]
r1527
M_max low w/o offs [Nm]
[6640.1]
[6640.1]
<1>
<2>