Operating Instructions
Vector control
Function diagrams
2-585
© Siemens AG 2008 - 2013 All Rights Reserved
SINAMICS G120 CU230P-2 Control Units List Manual (LH9), 01/2013
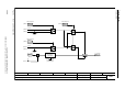
Fig. 2-79 6491 – Flux control configuration
- 6491 -
Function diagram
87654321
fp_6491_97_01.vsd
Vector control
G120 CU230P-2
12.12.2012 V4.6
Flux control configuration
01
02
00
[6723.7]1
03
04
05
06
07
08
09
10
11
12
13
14
15
Flux control, configuration
Bit No. Meaning
Factory setting
Reserved
1 = Flux setpoint, differentiation active
Quick magnetizing active
Reserved
Reserved
Reserved
1 = Flux build-up control active
Reserved
Reserved
Reserved
Reserved
Reserved
Reserved
Reserved
Reserved
Reserved
Flux ctrl config
- ... -
p1401 [D] (0000 0110 bin)
[6723.6]