Operating Instructions

Function diagrams
Overviews
2-504
© Siemens AG 2008 - 2013 All Rights Reserved
SINAMICS G120 CU230P-2 Control Units List Manual (LH9), 01/2013
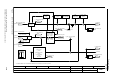
Fig. 2-6 1700 – Vector control, speed control, and generation of the torque limits
- 1700 -
Function diagram
87654321
fp_1700_97_01.vsd
Overviews
G120 CU230P-2
12.12.2012 V4.6
Vector control, speed control and generation of the torque limits
p1400 p1401 r0056 r1408
r0067
I_Ausg max
Kp-Adaption
Tn-Adaption
n_modell
[1710.1]
[1550.8]
[1710.1]
Symmetrizing
Acceleration model
Kp_n-/Tn_n adaptation
Integrator control
Speed controller
Torque setpoint
Generating the
torque limits
[6630] Upper/lower torque limit
[6640] Current/power/torque
limits
[6490] Closed-loop speed control configuration
[6491] Closed-loop flux control configuration
[2526] Status word closed-loop control
[2530] Status word closed-loop current control
Speed
setpoint filter
r0062
n_set after filter [1/min]
n_C n_act T_s SLVC
p1452
r1438
n_ctrl n_set [1/min]
Mot M_mom of inert
p0341
Mot MomInert Ratio
p0342
n_ctrl SLVC Kp
p1470
n_ctrl SLVC Tn
p1472
r1518
M_accel [Nm]
r1508
M_set bef. M_suppl [Nm]
r0079
M_set [Nm]
r1538
M_max upper eff [Nm]
r1539
M_max lower eff [Nm]
P_max mot
p1530
P_max gen
p1531
Current limit
p0640
M_max upper
p1520 [D] (0.00)
M_max lower
p1521 [D] (0.00)
a_prectrl scal
p1496
n_set_filt 1 T
p1416
[6030] [6031]
[6040]
[6060]
[6050]
r1170
n_ctrl setp sum [1/min]
r0063[0..2]
n_act [1/min]
Kp Tn
n_pre-control
[0]
Encoderless closed-
loop speed control
0