Operating Instructions
SINAMICS G120 CU230P-2 Control Units
List Manual, 04/2018, A5E33838102
687
3 Function diagrams
3.12 Vector control, Dynamic Drive Control (p0096 = 2)
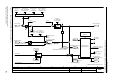
Fig. 3-119 6837 – Field weakening characteristic, flux setpoint (ASM, p0300 = 1, p0096 = 2)
- 6837 -
Function diagram
87654321
fp_6837_97_01.vsd
Vector control, Dynamic Drive Control
G120 CU230P-2
13.03.2018 V4.7_10
Field weakening characteristic, flux setpoint (ASM, p0300 = 1, p0096 = 2)
[6826.6]
[6838.1]
[6828.3]
[6838.1]
[6838.3]
[6838.7]
[6841.1]
0.9
1
0
<0.3 s
f
y
[6730.3]
[2526.2]
[2526.2]
Voltage max [Vrms]
r0071
ZSW cl-loop ctrl
r0056
r0056
.8
Mot T_rotor/T_Dd [ms]
r0384 [M]
M_set static
-200.0 ... 200.0 [%]
p1610 [D] (50.0)
M_suppl_accel
0.0 ... 200.0 [%]
p1611 [D] (30.0)
I_set T_smooth
4 ... 10000 [ms]
p1616 [D] (40)
ZSW cl-loop ctrl
r0056
r0056
Flux setp T_smth
4 ... 5000 [ms]
p1582 [D] (15)
Field weakening
characteristic
Efficiency optimization
Id_set
calculation
Flux setpoint
calculation
Magnetization control
Id current limit
Mot t_excitation
0.000 ... 20.000 [s]
p0346 [M] (0.000)
MotMod status
r1751
r0067
Current max [Arms]
r0063
Actual speed [rpm]
Quick magnetizing active
Efficiency opt.
0 ... 100 [%]
p1580 [D] (80)
Flux setpoint
smoothed
[0]
Flex setp
50.0 ... 200.0 [%]
p1570 [D] (100.0)
+
+
–
Mot I_mag_rtd act [Arms]
r0331 [M]
.4
ASM: Asynchronmotor (induction motor)
r1508
M_set bef. M_suppl [Nm]
r0080
Actual torque [Nm]
r0084
Actual flux [%]
1
0
Flux ctrl config
p1401 .14
1 = Efficiency optimization 2 active
Flux setpoint
selection
1 = Magnetization completed
1 = Field weakening active
Value range and/or factory setting depend on Power Module.<1>
<1>
Max flux lim val
10.0 ... 200.0 [%]
p3316 [D] (110.0)
Min flux lim val
10.0 ... 200.0 [%]
p3315 [D] (50.0)
Optimum flux [%]
r3313
Efficiency optimization
2
1 = flux setpoint differentiation active
1 = Flux build-up control active
p1401.1
p1401.2
p1401.6
1 = Quick magnetizing active