Operating Instructions
SINAMICS G120 CU230P-2 Control Units
List Manual, 04/2018, A5E33838102
653
3 Function diagrams
3.10 Vector control / U/f control
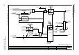
Fig. 3-87 6700 – Current control, overview
- 6700 -
Function diagram
87654321
fp_6700_97_01.vsd
Vector control / U/f control
G120 CU230P-2
13.03.2018 V4.7_10
Current control, overview
Iq
M
–
–
K
P
[6020.8]
Current setpoint filter
Field weakening
controller
Field weakening
characteristic
Current calculation
Iq controller
Iq and Id controllers
Transformation
Interface to the Power Module for an induction motor (p0300 = 1xx)
Interface to the Power Module for a synchronous motor (p0300 = 2xx)
Interface to the Power Module for a reluctance synchronous motor (p0300 = 6xx)
I_phase actual
value
r0079
M_set [Nm]
Voltage max [Vrms]
r0071
r0075
Id_set [Arms]
r0072
U_output [Vrms]
r0077
Iq_set [Arms]
Flex setp
50.0 ... 200.0 [%]
p1570 [D] (100.0)
V_set
+
+
+
+
+
+
–
–
I_ctrl Kp
p1715 [D]
I_ctrl Tn
p1717 [D]
++
U_angle
U_set
p1764 p1767
V_phase actual
value
r0070
Vdc act val [V]
r0074
Mod_depth [%]
Efficiency opt.
p1580 [D]
M_set static
p1610 [D]
M_suppl_accel
p1611 [D]
r0066
f_outp [Hz]
Iq
M
[6020.2]
[6020.1]
n_pre-control
n_model
Current modelMotor model
f_Slip [Hz]
r0065
+
+
–
+
r0078
Iq_act [Arms]
r0076
Id_act [Arms]
[6721] Id setpoint (PMSM, p0300 = 2xx)
[6722] Field weakening characteristic, flux setpoint (ASM, p0300 = 1xx)
[6723] Field weakening controller, flux controller, Id setpoint (ASM, p0300 = 1xx)
[6724] Field weakening controller (PMSM, p0300 = 2xx)
[6790] Flux setpoint (RESM, p0300 = 6xx)
[6791] Id setpoint (RESM, p0300 = 6xx)
I_ctrl Kp
p1715
I_ctrl Tn
p1717
p1722p1720
<1>
<1> Only for reluctance synchronous motor (p0300 = 6xx).
<2> Value range and/or factory setting depend on Power Module.
<2>
[6714]
[6714]
[6730]
[6731]
[6792]