Operating Instructions

Technology controller
Function diagrams
2-625
© Siemens AG 2008 - 2013 All Rights Reserved
SINAMICS G120 CU230P-2 Control Units List Manual (LH9), 01/2013
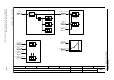
Fig. 2-116 7951 – Fixed value selection direct (p2216 = 1)
- 7951 -
Function diagram
87654321
fp_7951_97_51.vsd
Technology controller
G120 CU230P-2
12.12.2012 V4.6
Fixed values, direct selection (p2216 = 1)
+++
0 0 0 1
0 0 1 0
1 0 0 0
0 1 0 0
+
+
+
(0)
Tec_ctrl sel bit 0
p2220 [C]
(0)
Tec_ctrl sel bit 1
p2221 [C]
(0)
Tec_ctrl sel bit 2
p2222 [C]
(0)
Tec_ctrl sel bit 3
p2223 [C]
r2224
Tec_ctr FixVal eff [%]
Tec_ctrl fix val1
-200.00 ... 200.00 [%]
p2201 [D] (10.00)
Tec_ctr fix val 2
-200.00 ... 200.00 [%]
p2202 [D] (20.00)
Tec_ctr fix val 3
-200.00 ... 200.00 [%]
p2203 [D] (30.00)
Tec_ctr fix val 4
-200.00 ... 200.00 [%]
p2204 [D] (40.00)
Tec_ctr FixVal ZSW
r2225
r2225