Installation Instructions

Table Of Contents
Connecting
PM230 Power Module, IP55
Hardware Installation Manual, 12/2016, A5E35319202B AB
31
In order that an RCD does not unnecessarily trip as a result of operational leakage currents,
the following preconditions must be fulfilled:
The neutral point of the line supply is grounded.
For inverters with rated input currents ≤ 125 A referred to LO, use an RCCB type B with
a response limit current of 300 mA. Connect the RCCB in series with the overcurrent
protective devices.
For inverters with rated input currents> 125 A referred to LO, use a type B MRCD (for
example, from the Bender company).
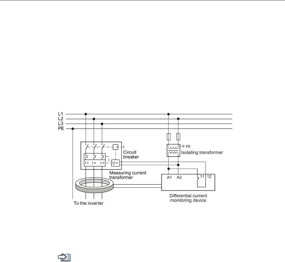
An MRCD comprises an RCM (differential current monitoring device), a measuring
current transducer and a circuit breaker with additional undervoltage release, listed in the
Technical data. An example of an MRCD design is provided in the following diagram.
Figure 5-1 MRCD
A dedicated RCD is used for every inverter.
The motor cables are shorter than 50 m (164 ft) shielded, or 100 m (328 ft) unshielded.
Additional information about motor cables
Length of motor cable (Page 38)