Operating Instructions
SINAMICS G120 CU230P-2 Control Units
List Manual, 04/2018, A5E33838102
685
3 Function diagrams
3.12 Vector control, Dynamic Drive Control (p0096 = 2)
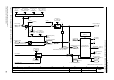
Fig. 3-117 6835 – Id setpoint (RESM, p0300 = 6xx, p0096 = 2)
- 6835 -
Function diagram
87654321
fp_6835_97_01.vsd
Vector control, Dynamic Drive Control
G120 CU230P-2
13.03.2018 V4.7_10
Id setpoint (RESM, p0300 = 6xx, p0096 = 2)
[6843.1]
0
Field_ctrl Tn
10 ... 10000 [ms]
p1596 [D] (300)
Drv filt type mot
0 ... 4
p0230 (0)
Pulse freq setp
0.500 ... 16.000 [kHz]
p1800 [D] (4.000)
Calculation, max. modulation depth
r1597
Field_ctrl outp [%]
Modulator mode
0 ... 10
p1802 [D] (10)
Modulat depth max
20.0 ... 120.0 [%]
p1803 [D] (115.0)
Modulat_depth max [%]
r0073
[6833.8]
[6828.1]
psid, min
-1
Flux red dec T
20 ... 5000 [ms]
p1578 [D] (200)
Flux red incr T
0 ... 5000 [ms]
p1579 [D] (4)
0
Id_setp total [Arms]
r1624
[6828.5]
[6832.1]
[6828.1], [6833.1]
r0077
Iq_set [Arms]
[6832.8]
r1598
Flux setp total [%]
[6833.1]
0
[6843.3]
Torque factor and
magnetizing current
Pre-control calculation
From the flux model
Flux setpoint
Flux setting value
6834.8
6834.8
M
Iq
Iq
M
2
r0070
Vdc act val [V]
U_reserve dyn
0.0 ... 150.0 [Vrms]
p1574 [D] (2.0)
–
+
U_max 1
r0063
Actual speed [rpm]
Flux setpoint quadrature axis
–
+
Voltage max [Vrms]
r0071
[6835.8]
[6833.1]
[6835.1]
Flux setpoint
quadrature axis
U_set 1
–
+
[6833.8]
U_tgt val lim
50.00 ... 300.00 [%]
p1575 [D] (200.00)
ZSW cl-loop ctrl
r0056
r0056
1 = Field weakening active
[2526.3]
r1568
RESM flux channel [%]
[4]
r1568
RESM flux channel [%]
[5]
Field weakening value,
total
Field weakening value, pre-control
r0083
Flex setp [%]
.8
RESM: Reluctance synchronous motor