Operating Instructions

Function diagrams
Input/output terminals
2-508
© Siemens AG 2008 - 2013 All Rights Reserved
SINAMICS G120 CU230P-2 Control Units List Manual (LH9), 01/2013
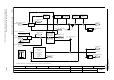
Fig. 2-9 2242 – Digital outputs (DO 0 ... DO 2)
- 2242 -
Function diagram
87654321
fp_2242_97_01.vsd
Input/Output Terminals
G120 CU230P-2
12.12.2012 V4.6
Digital outputs (DO 0 … DO 2)
-1
0
1
-1
0
2
-1
0
4
(52.3)
CU S_src DO 0
p0730
(52.7)
CU S_src DO 1
p0731
(52.2)
CU S_src DO 2
p0732
CU DO inv
p0748
CU DO inv
p0748
CU DO inv
p0748
.2
NO
COM
NC
Kl. 20
Kl. 19
Kl. 18
NO
COM
Kl. 22
Kl. 21
NO
COM
NC
Kl. 25
Kl. 24
Kl. 23
DO 0
DO 1
DO 2
<2> Kl. = Terminal
<2>
Sampling time of the DO : 2 ms
CU DO status
r0747
CU DO status
r0747
CU DO status
r0747
.1
.0