Operating Instructions
SINAMICS G120 CU230P-2 Control Units
List Manual, 04/2018, A5E33838102
681
3 Function diagrams
3.12 Vector control, Dynamic Drive Control (p0096 = 2)
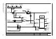
Fig. 3-113 6828 – Current/power/torque limits (p0096 = 2)
- 6828 -
Function diagram
87654321
fp_6828_97_01.vsd
Vector control, Dynamic Drive Control
G120 CU230P-2
13.03.2018 V4.7_10
Current/power/torque limits (p0096 = 2)
<3>
22
yx
-1
Min
Max Min
Min
+
–
[6832.1]
[3050.8]
[6837.1], [6839.1]
x
y
<4>
<3>
Max
[6832.1]
[3050.8]
n
Iq
Current limiting
I_max reduction
I_max PM
Power limiting
Iq stall
calculation
Speed limiting
Kp from speed controller [6824.5]
Tn from speed controller [6824.6]
Speed limiting
controller
Voltage max [Vrms]
r0071
Mot L_leak total [mH]
r0377 [M]
Iq_max total [Arms]
r1533
P_max gen
-100000.00 ... -0.01 [kW]
p1531 [D] (-0.01)
P_max mot
0.00 ... 100000.00 [kW]
p1530 [D] (0.00)
Isq_max [Arms]
r1536
r1084
n_limit pos eff [rpm]
r1087
n_limit neg eff [rpm]
r0067
Current max [Arms]
r0063
Actual speed [rpm]
[0]
Sign
+ or -
r1407.17
[2522.3]
1 = Speed limiting control
active
[6835.3]
[6838.3]
[6839.4]
[8016.8]
[6841.4]
[6842.4]
[6843.4]
Id_setp total [Arms]
r1624
[6835.8]
[6836.8]
[6838.8]
Current limit
p0640 [D]
–
+
Isq_min [Arms]
r1537
Intervention by the Vdc controller.
Intervention when the speed limit is exceeded + 2 % n_rated.
<1>
<2>
<3>
!
Danger: Negative values at <1>
positive values at <2>
represent a minimum torque for the other torque direction and
can cause the motor to accelerate uncontrollably.
<4>
Iq
M
Min
Max
[6826.1]
r1538
M_max upper eff [Nm]
r1539
M_max lower eff [Nm]
r1548
Isq_max stall [Arms]
[0]
r1548
Isq_max stall [Arms]
[1]
Lower limit
Upper limit
+
+
+
+
[6824.4], [6826.1]
[6824.4], [6826.1]
<1>
<2>
!
!
M_max upper [Nm]
p1520 [D] (0.00)
M_max lower [Nm]
p1521 [D] (0.00)
M_max lower scal
-2000.0 ... 2000.0 [%]
p1525 [D] (100.0)
M_max up/mot scal
-2000.0 ... 2000.0 [%]
p1524 [D] (100.0)
r1527
M_max low w/o offs [Nm]
r1526
M_max up w/o offs [Nm]
M_max upper
(1520[0])
p1522 [C]
M_max upper scal
(1524[0])
p1528 [C]
M_max lower
(1521[0])
p1523 [C]
M_max lower scal
(1525[0])
p1529 [C]
[6826.1]
[6835.8]
[6836.8]
[6841.1]