Data Sheet

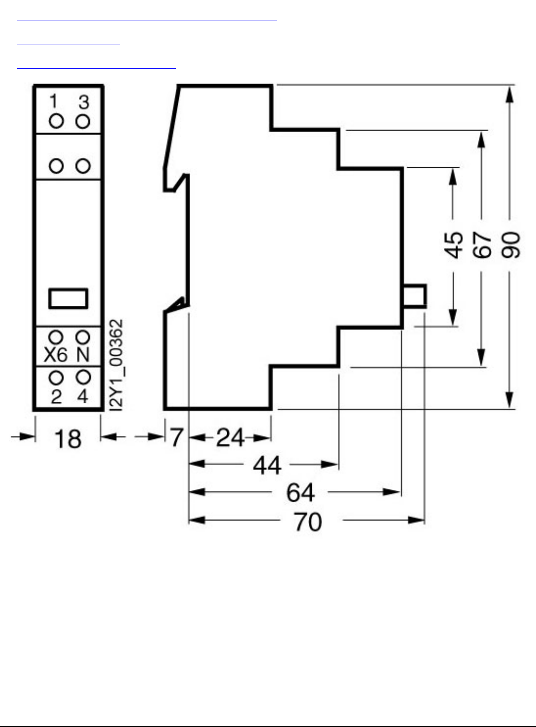
Bilddatenbank (Produktfotos, 2D-Maßzeichnungen, 3D-Modelle, Geräteschaltpläne, …)
http://www.automation.siemens.com/bilddb/cax_de.aspx?mlfb=5TE4823
CAx-Online-Generator
http://www.siemens.com/cax
Ausschreibungstexte (Leistungsverzeichnisse)
http://www.siemens.de/ausschreibungstexte
5TE4823 Änderungen vorbehalten
Seite 3/
3
20.07.2018 © Copyright Siemens



