Data Sheet
Manuals
Brands
Siemens Manuals
EUM Monitoring Relays
O/L relay Siemens 3RU2146-4JB0 1 pc(s)
1
2
3
4
5
6
7
6
/
T3
4
/
T2
2
/
T1
9
5
NC
9
6
9
7
NO
9
8
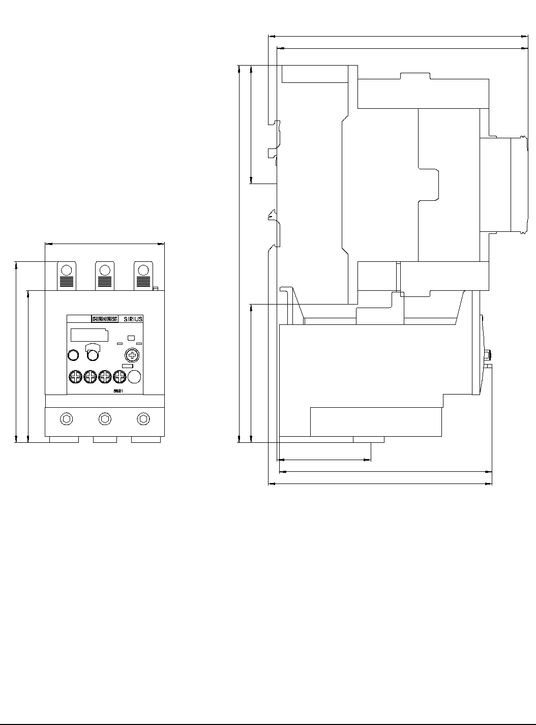
70
106
89.2
125
55
147
152
221
70
131
81
3RU2146-4JB0
保留变更权利
起始页 6/
7
2019/9/17
© Copyright Siemens
1
...
...
4
5
6
7