Data Sheet

Proteção eletrónica de curto-circuito, versão do elemento fusível
https://www.automation.siemens.com/cd-static/material/info/3RF22_eng.pdf
Proteção eletrónica de curto-circuito, versão do elemento fusível
https://www.automation.siemens.com/cd-static/material/info/3RF23_eng.pdf
Proteção eletrónica de curto-circuito, versão do elemento fusível
https://www.automation.siemens.com/cd-static/material/info/3RF24_eng.pdf
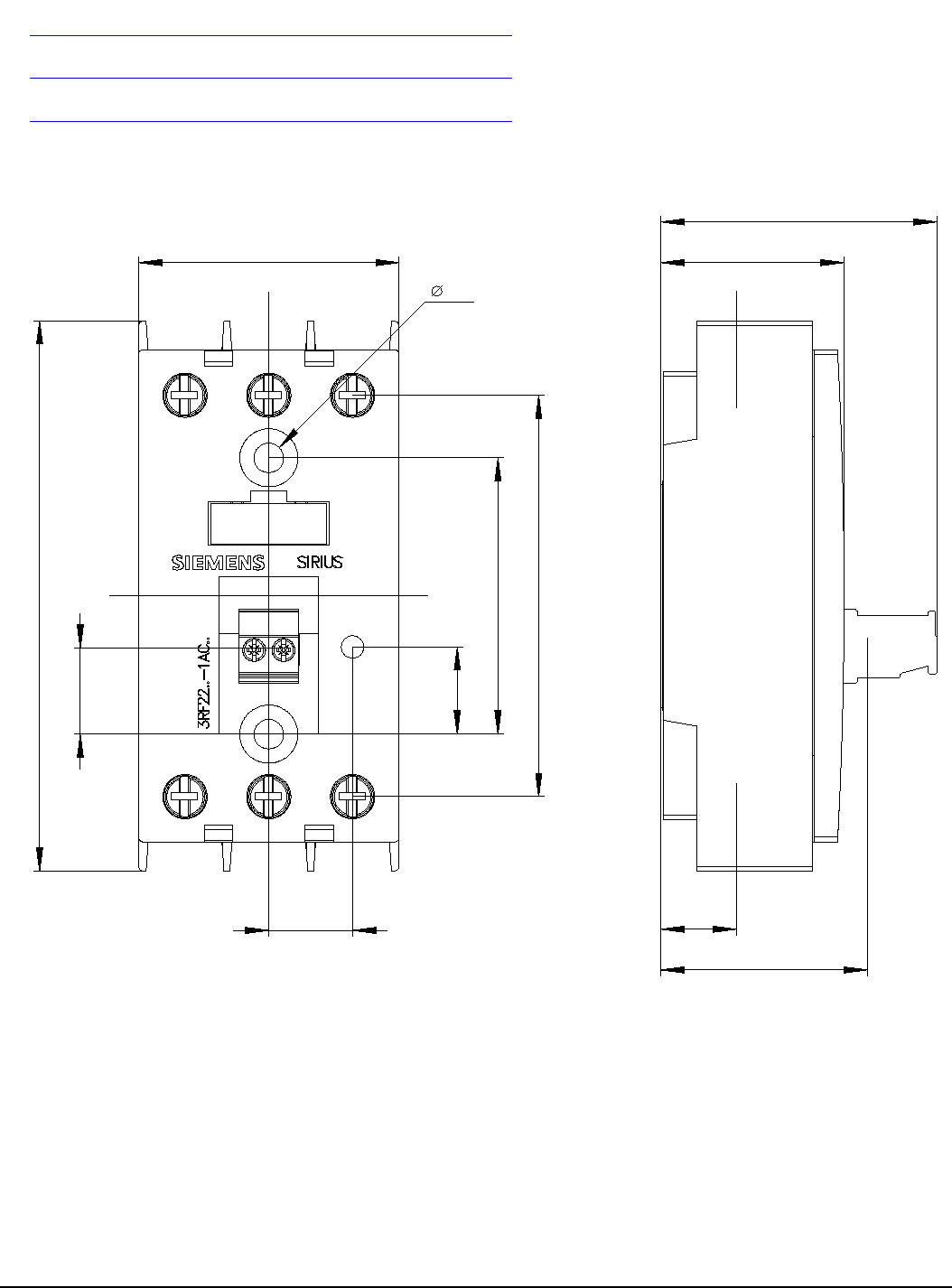
1/ L1 3/ L2 5/ L3
2/ T1 4/ T2 6/ T3
A1 A2
45
95
47.5
5.1
14.5
15
69
14.4
31.5
47.5
13
35.5
3RF2255-1AC35 Reservado o direito a alterações
Página 5/
7
16-09-2019 © Copyright Siemens







