Data Sheet
Manuals
Brands
SIEMENS Manuals
Switchboard Technology
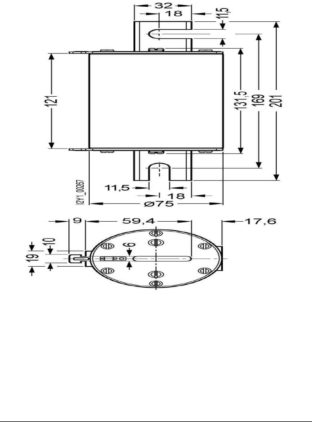
Fuse holder inset
1
2
3
4
3NE5633-0C
Subject to change without notice
Page 3/
4
09/13/2019
© Copyright Siemens
1
2
3
4