Data Sheet
Manuals
Brands
SIEMENS Manuals
Switchboard Technology
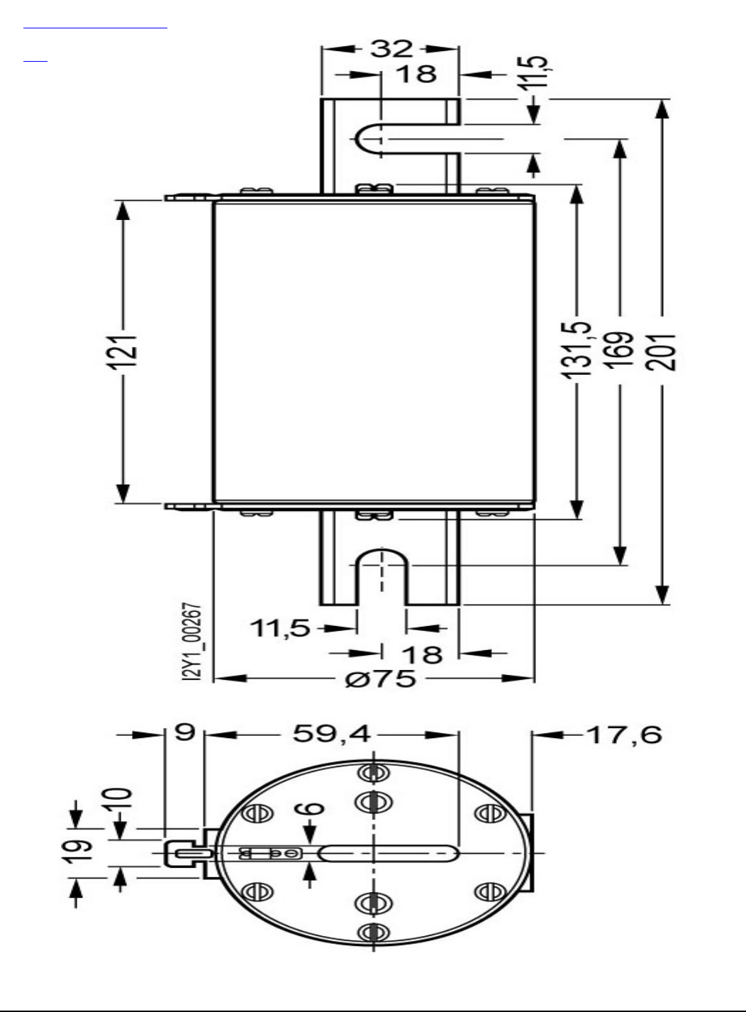
Fuse holder inset
1
2
3
CAx-Online-Generator
http://www.siemens.com/cax
Auss
chreibungstexte
(Leistungsverzeichnisse)
http:/
/www.siemens.de/ausschreibungstexte
3NE5627-0C
Änderungen vorbehalten
Seite 3/
3
19.07.2018
© Copyright Siemens
1
2
3