Data Sheet
Manuals
Brands
SIEMENS Manuals
Switchboard Technology
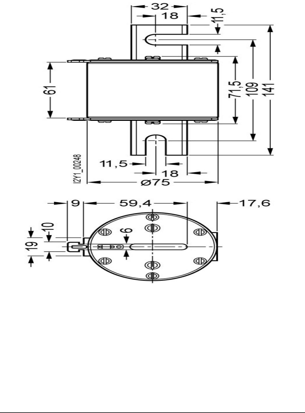
Fuse holder inset
1
2
3
3NC8444-3C
Subject to change without notice
Page 3/
3
09/13/2019
© Copyright Siemens
1
2
3