Instruction Manual

8
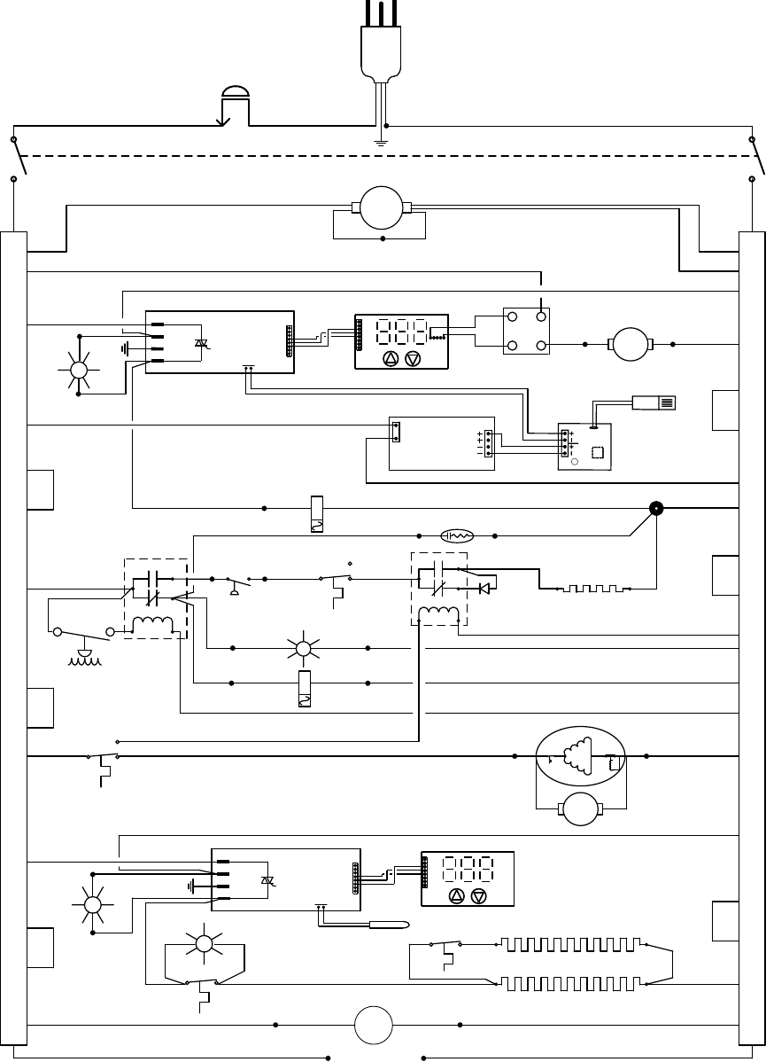
WIRING DIAGRAM
SHC28R (HC30R)
(9851455)
1 2
4
FAN
1 2
4
12VDC
POWER SUPPLY
6750507
OUT
IN
RH SENSOR
4100504
1 2
3
4
FAN
BM
BLUE
WHITE
RED
BLACK
BLOWER
MOTOR
4880504
GREEN LIGHTED SWITCH 7850570
WATER LOW
INDICATOR
4650553
STEAMER RELAY
7030536
HEATER REDUCTION
RELAY
7030536
220° LIMIT
1750615
PRESSURE SWITCH
7850574
FLOAT SWITCH
7850563
WATER FILL
SOLENOID
8600576
STEAMER HEATER
2350524
600V 6A
DIODE
2050500
QUENCHARK 7830507
CONDENSING UNIT
7010521
TEMPERATURE
CONTROL
1750549
OTL LIGHT
4650553
75°C LIMIT
1750860
CHILLER TANK HEATER
17.8Ω 120V 800W
CHAMBER HEATER
57Ω 120V 250W
HEAT LIGHT
4650554
OTL CONTROL
1750861
45°C COMPRESSOR
CUT OFF
1750862
RH CONTROL
1750553
SOLID
STATE RELAY
7030533
HUMIDIYT EXHAUST
FAN
4880564
HUMIDITY
INJECTION SOLENOID
8600576
HUMIDITY LIGHT
4650554
13 14
13 14
5
1
9
9
1
5
BLACK
BLACK
BLACK
BLACK
BLACK
BLACK
BLACK
WHITE
WHITE
WHITE
WHITE
WHITE
WHITE
WHITE
BLACK
CP
CHART RECORDER
CIRCULATING PUMP
6700563
BLACK
BLACK
WHITE WHITE
TERMINAL BLOCK 5 THROUGH 8
TERMINAL BLOCK 1 THROUGH 4
P2
P3
P13
P8
P20
P5
P12
P7
P11
P18
P21
P14
P17
P24
P19
P1 P14
P20
P19
P24
P17
P2
P15
P13
P8
P3
P21
P18
P11
P16
P22
P12
P5
P9
P7
P4
P1
ORANGE
CURCUIT BREAKER
1100500
POWER CORD
1800517
BLACK
BLACK 18G
BLACK
BLACK
YELLOW
YELLOW
WHITE
RED RED RED
WHITE
WHITE
RED HT
WHITE HT
BLUE
BLUE
BLACK
BROWN
WHITE
RED
RED
BLACK HT
BLACK HT
BLACK HT
WHITE HT
WHITE HT
WHITE
WHITE
WHITE
WHITE
WHITE
WHITE
WHITE 18G
RED 22G
BLACK 22G
P10










