Instruction Manual

7
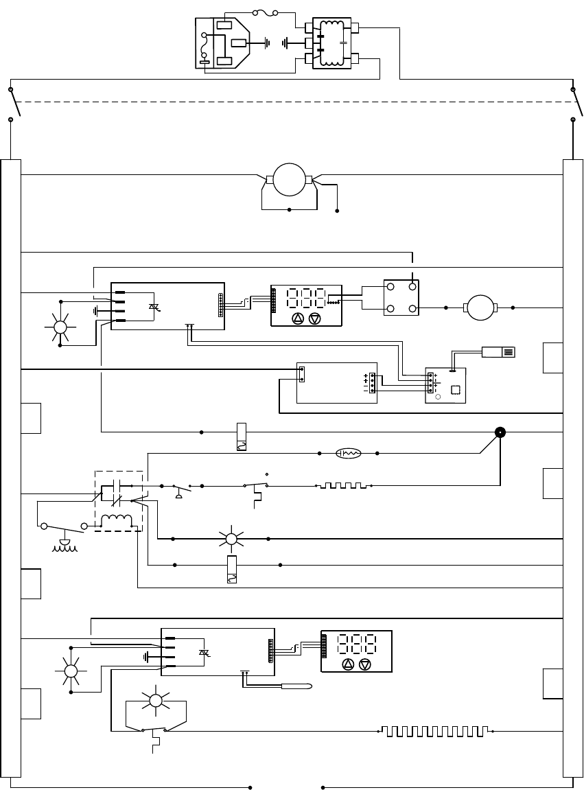
WIRING DIAGRAM
SHC28-2 (HC30-2)
(9851454)
1 2
4
12VDC
POWER SUPPLY
6750507
OUT
IN
RH SENSOR
4100504
1 2
3
4
FAN
BM
BLUE
WHITE
RED
BLACK
BLOWER
MOTOR
4880504
GREEN LIGHTED SWITCH 7850570
WATER LOW
INDICATOR
4650553
STEAMER RELAY
7030528
220° LIMIT
1750615
PRESSURE SWITCH
7850574
FLOAT SWITCH
7850563
WATER FILL
SOLENOID
8600578
STEAMER HEATER
2350525
QUENCHARK 7830507
TEMPERATURE
CONTROL
1750550
OTL LIGHT
4650553
CHAMBER HEATER
250V 750W
2350554
HEAT LIGHT
4650554
OTL CONTROL
1750861
RH CONTROL
1750554
SOLID
STATE RELAY
7030533
HUMIDIYT EXHAUST
FAN
4880564
HUMIDITY
INJECTION SOLENOID
8600578
HUMIDITY LIGHT
4650554
BLACK
BLACK
BLACK
BLACK
BLACK
BLACK
WHITE
WHITE
WHITE
WHITE
WHITE
WHITE
BLACK
CHART RECORDER
BLACK
BLACK
WHITE WHITE
TERMINAL BLOCK 5 THROUGH 8
TERMINAL BLOCK 1 THROUGH 4
P2
P3
P13
P8
P20
P5
P12
P7
P11
P18
P14
P17
P24
P1 P14
P19
P24
P17
P2
P13
P8
P3
P18
P11
P16
P22
P12
P5
P9
P7
P4
P1
ORANGE
P10
2800503
EMI
FILTER
POWER
FUSED
INLET
4200505
WHITE WHITE
5
3
1
7 8
BLACK
WHITE
YELLOW
YELLOW
BLACK 18G
WHITE WHITE
RED
RED
BLACK HT
BLUE
BLUE
WHITE
RED
RED
RED HT
BLACK WHITE
WHITE HT
WHITE
WHITE
WHITE
WHITE
WHITE HT
WHITE 18G
BROWN
RED 22G
BLACK 22G










