Instruction Manual

5
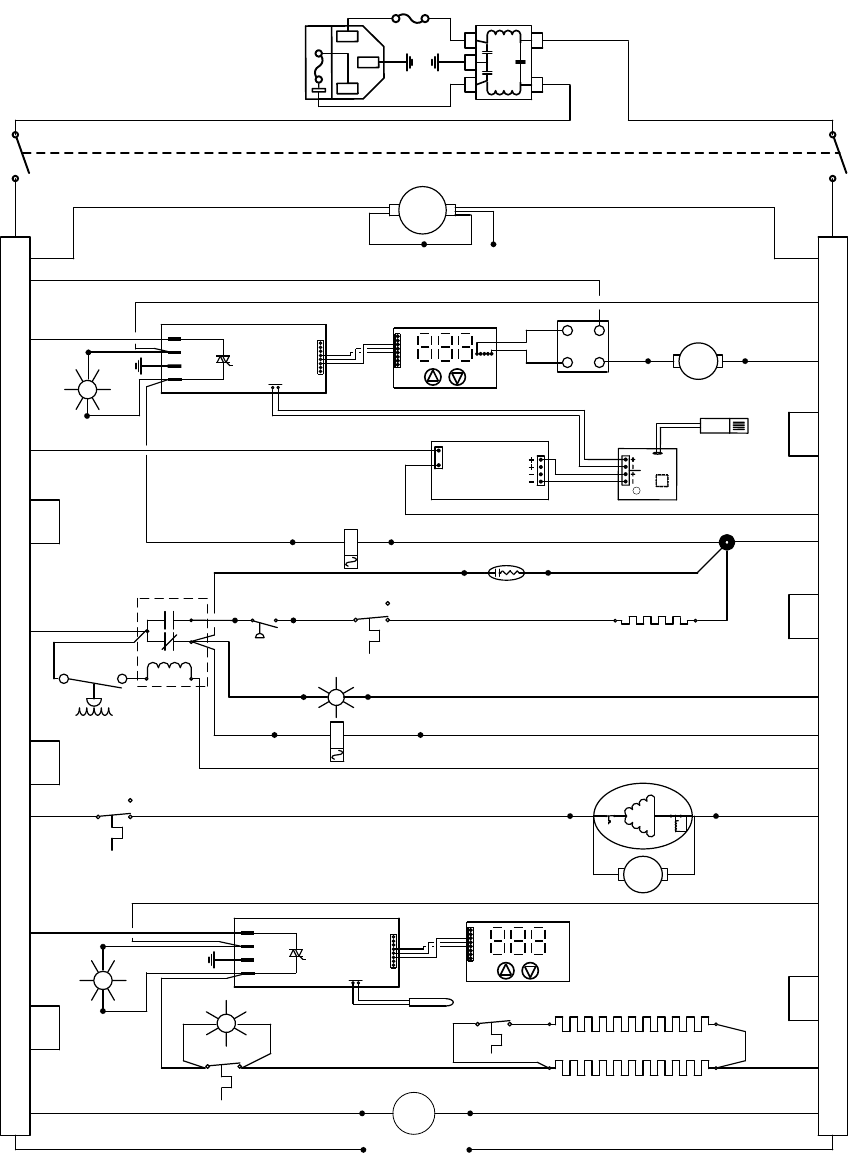
WIRING DIAGRAM
SHC10R-2 (HC9R-2)
(9851452)
2800503
EMI
FILTER
1 2
4
FAN
1 2
4
12VDC
POWER SUPPLY
6750507
OUT
IN
RH SENSOR
4100504
1 2
3
4
FAN
BM
BLUE
WHITE
RED
BLACK
BLOWER
MOTOR
4880504
POWER FUSED
INLET
4200505
GREEN LIGHTED SWITCH 7850570
WATER LOW
INDICATOR
4650553
STEAMER RELAY
7030528
220° LIMIT
1750615
PRESSURE SWITCH
7850574
FLOAT SWITCH
7850563
WATER FILL
SOLENOID
8600578
STEAMER HEATER
2350533
QUENCHARK 7830507
CONDENSING UNIT
7010543
TEMPERATURE
CONTROL
1750550
OTL LIGHT
4650553
75°C LIMIT
1750860
CHILLER TANK HEATER
67Ω 240V 800W
CHAMBER HEATER
201Ω 240V 250W
HEAT LIGHT
4650554
OTL CONTROL
1750861
45°C COMPRESSOR
CUT OFF
1750862
RH CONTROL
1750554
SOLID
STATE RELAY
7030533
HUMIDIYT EXHAUST
FAN
4880563
HUMIDITY
INJECTION SOLENOID
8600578
HUMIDITY LIGHT
4650554
7 8
5
1
3
BLACK
BLACK
BLACK
BLACK
BLACK
BLACK
BLACK
BLACK
WHITE WHITE
WHITE
WHITE
WHITE
WHITE
WHITE
WHITE
WHITE
BLACK
CP
CHART RECORDER
CIRCULATING PUMP
6700564
BLACK
BLACK
WHITE WHITE
TERMINAL BLOCK 5 THROUGH 8
TERMINAL BLOCK 1 THROUGH 4
P2
P3
P13
P8
P20
P5
P12
P7
P11
P18
P21
P14
P17
P24
P19
P1 P14
P20
P19
P24
P17
P2
P15
P13
P8
P3
P21
P18
P11
P16
P22
P12
P5
P9
P7
P4
P1
ORANGE
BLACK 18G
YELLOW
YELLOW
RED
RED
BLACK
BLACK
BLUE
BLUE
BROWN
BLACK HT
BLACK HT
BLACK HT
WHITE
WHITE
WHITE HT
WHITE
WHITE
RED RED
RED HT
WHITE HT
WHITE
WHITE
WHITE
RED 22G
BLACK 22G
WHITE
WHITE
BROWN
WHITE HT
WHITE
WHITE










